
Ricevi un'email quando questo prodotto torna disponibile
Prodotto in pre‑ordine
- Descrizione
- Istruzioni
- Metodi di pagamento
- Garanzia
|
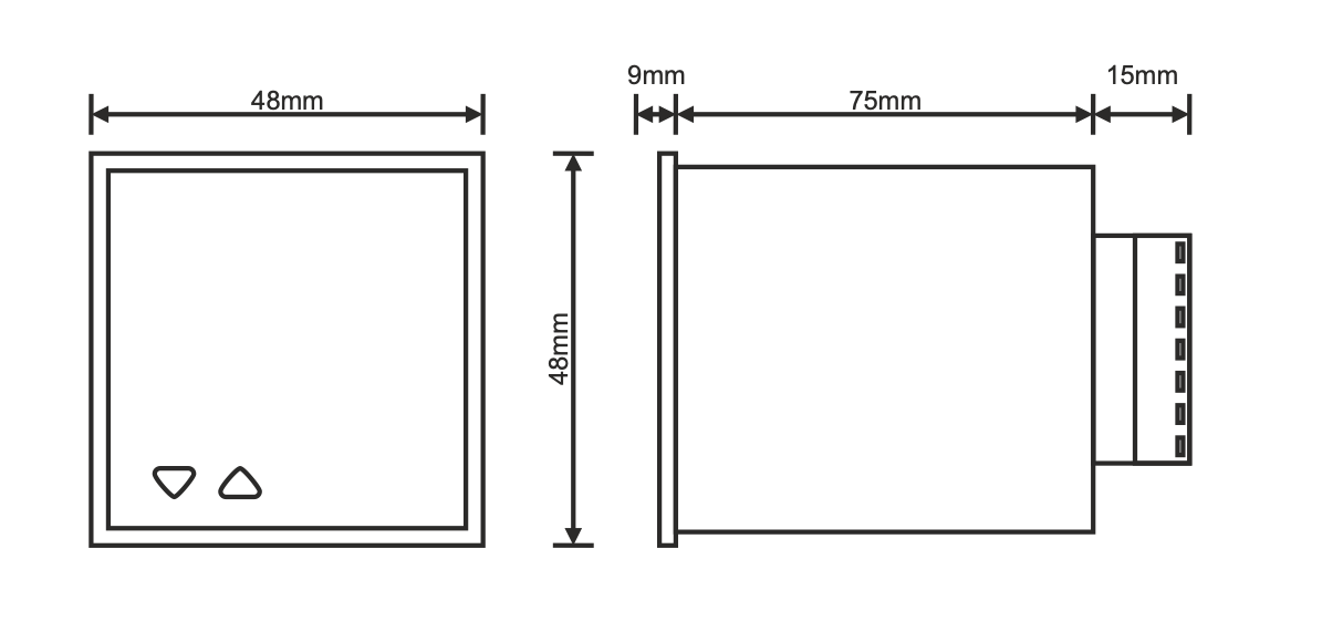
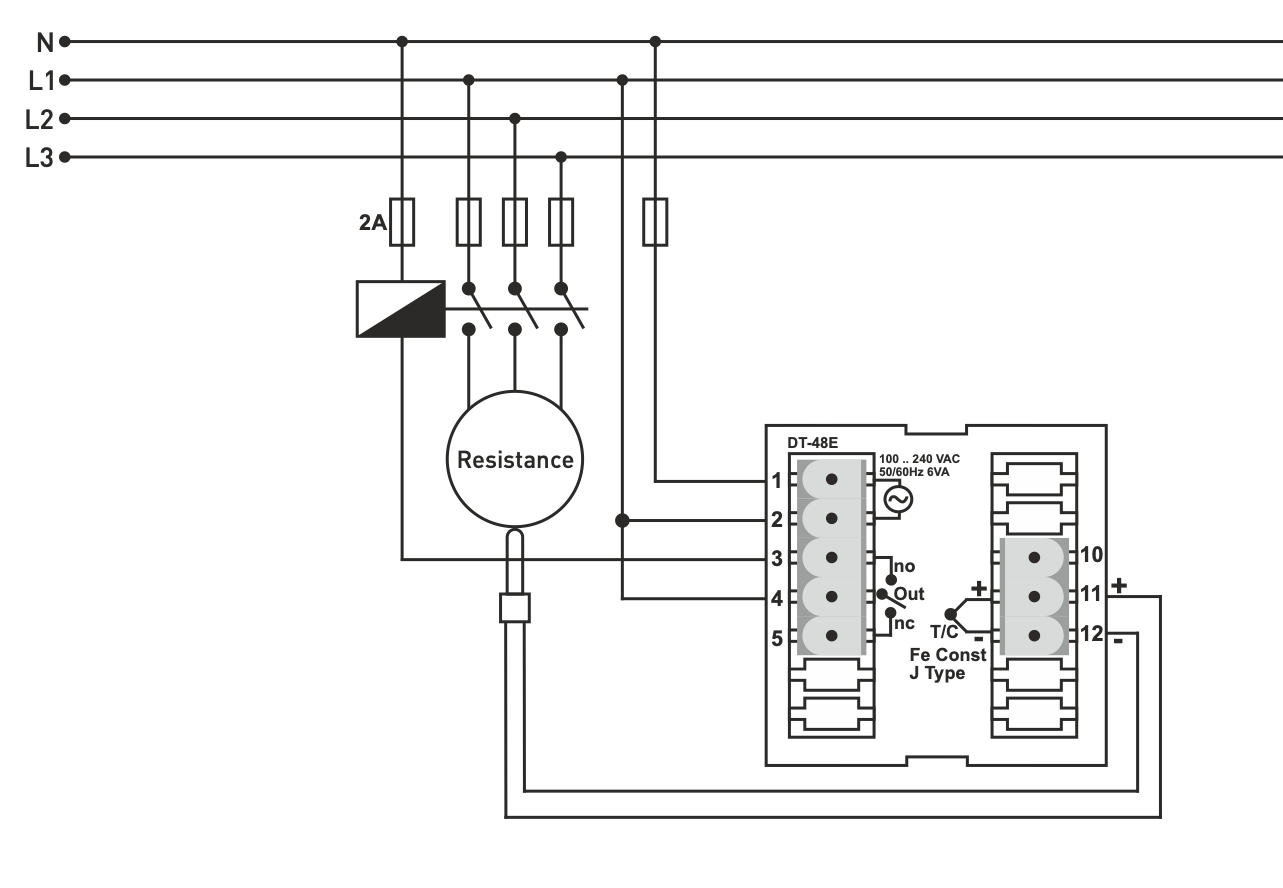
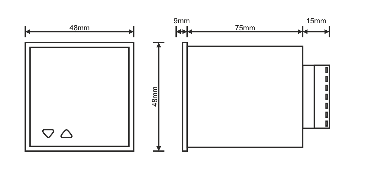
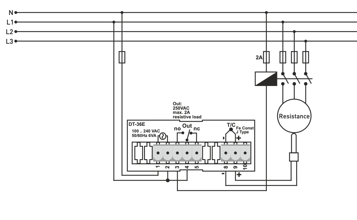
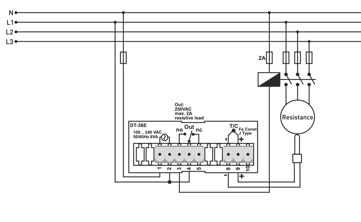
Termostato a due livelli - affidabile regolatore di temperatura a microprocessore (elettronico) economico, per il controllo del processo di riscaldamento - montato su unità o su pannello. Dimensioni 78x36 mm. DT-36E, TENDE.
Parametri principali del termostato:
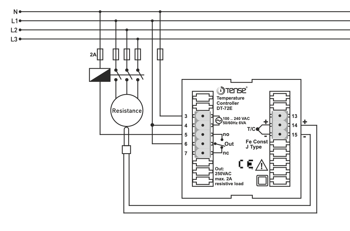
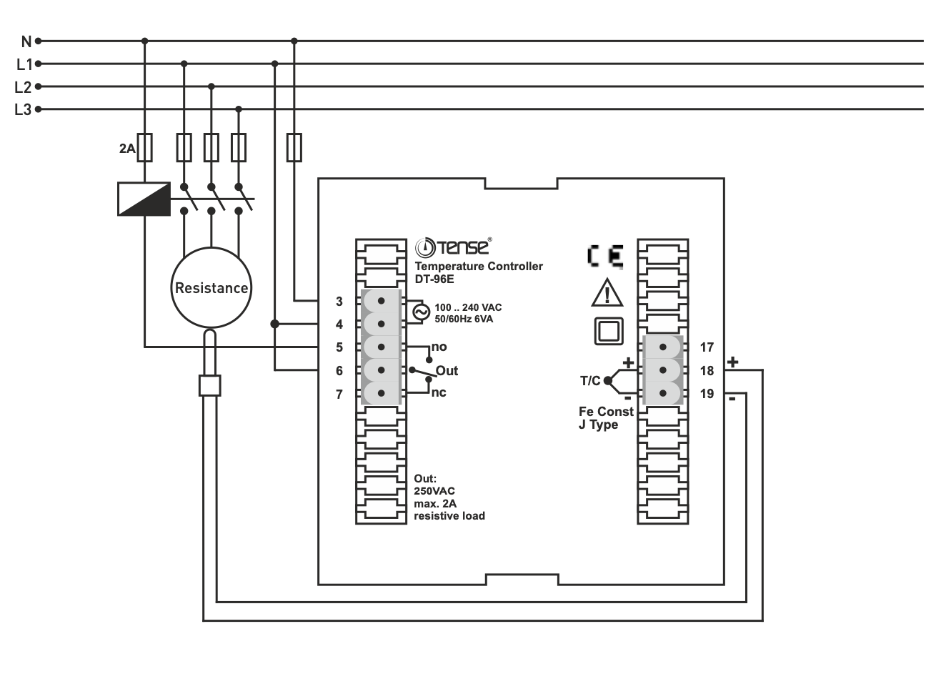
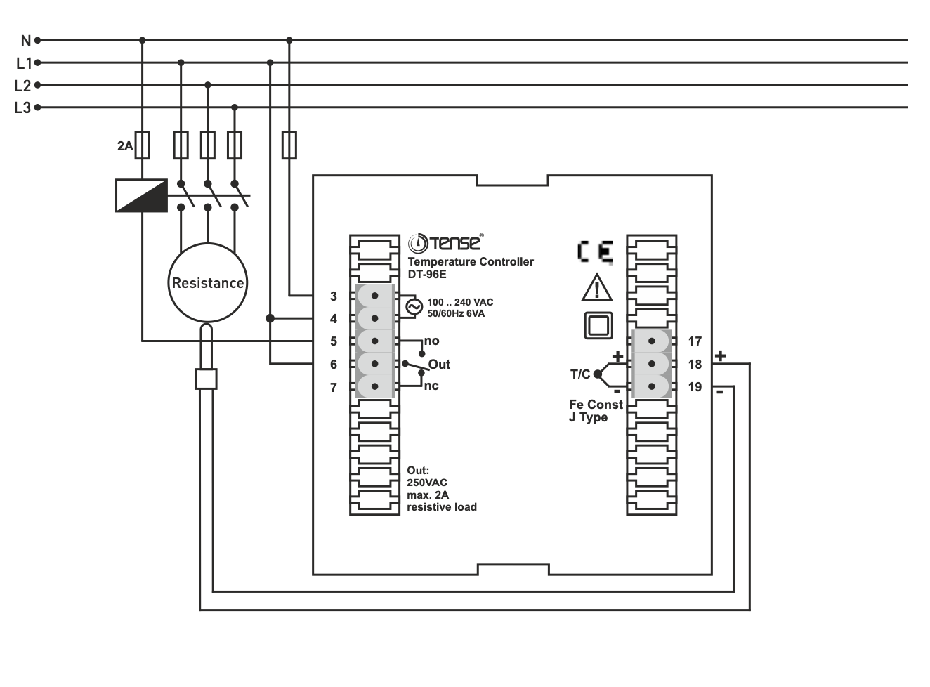
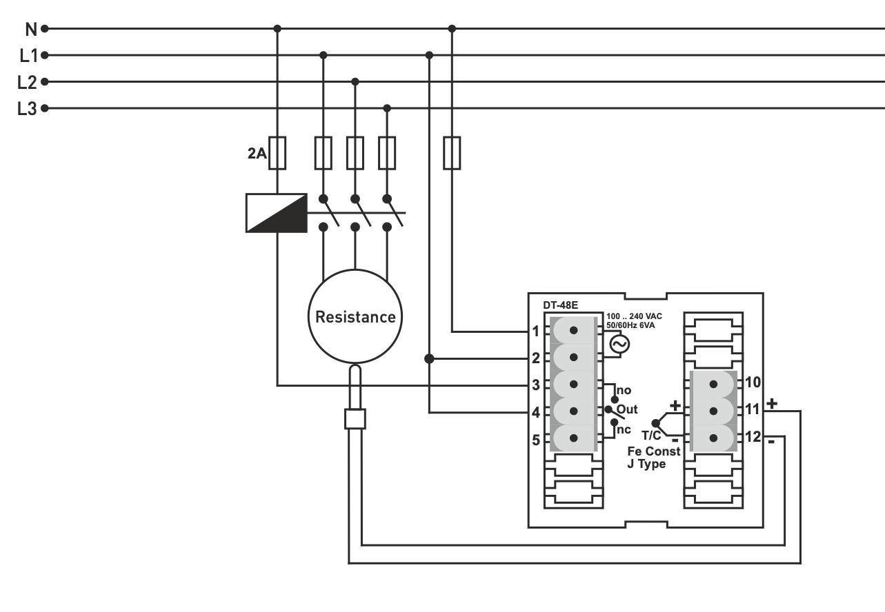
Tipo di sensore utilizzato per il regolatore di temperatura - Fe-const, tipo J;
Campo di temperatura misurato: da 0 °C a +600 °C; passo di misura 1 °C;
Il controllo viene effettuato in base al principio ON-OFF (accensione e spegnimento);
Impostazione dei parametri di isteresi;
Impostazione del livello superiore per i setpoint di temperatura;
Indicazione dei valori di temperatura impostati ed effettivi (commutazione);
Compensazione dell'effetto della temperatura "cold end" per i sensori di tipo T/C (compensazione cold end);
Eccellente linearità della tabella di conversione temperatura/mV;
Elevata precisione di misura;
Memoria non volatile (EEPROM) per la memorizzazione dei dati;
Contatto di controllo OUT commutabile;
Facile scollegamento/collegamento al dispositivo controllato: il collegamento avviene tramite attacchi rapidi. Gamma di tensione operativa estesa - 100...240 V, 50-60 Hz
Al momento dell'ordine del prodotto, non dimenticare di acquistare un sensore di temperatura TK e anche un interruttore automatico da 2 ampere per proteggere i canali di ingresso e di uscita di questo dispositivo (2 pezzi).
Attenzione!!!
Quando si collega il sensore di temperatura, rispettare la polarità: l'inosservanza di tale prescrizione può causare un funzionamento errato del termoregolatore e il danneggiamento del sensore. Collegare i fili del sensore direttamente al dispositivo; quando si collega il termoregolatore all'alimentazione, utilizzare un fusibile da 250 mA 250 V, utilizzare un cavo di sezione adeguata e rispettare le norme di sicurezza elettrica. Per i contatti di segnale utilizzare un cavo schermato a coppie twistate con messa a terra, da collocare in luoghi protetti da forti campi elettromagnetici, contattori o cavi di alimentazione.
|
Nota importante! Sebbene questo termostato sia progettato per misurare temperature inferiori a -20 gradi e superiori a 55 gradi, il dispositivo stesso deve essere installato in un luogo in cui la temperatura è compresa tra 0 e +50 gradi. In caso contrario, l'alloggiamento in plastica potrebbe deformarsi e il termostato stesso potrebbe guastarsi.
Pagamento con carta online: dopo aver completato l'ordine, verrai reindirizzato al gateway di pagamento, la conferma del pagamento verrà inviata alla tua email
COD: paghi il pagamento in base all'ordine di pagamento all'autista della compagnia di trasporti
Tramite bonifico bancario- riceverai al tuo indirizzo email entro e non oltre il giorno lavorativo successivo una fattura anticipata, sulla quale troverai il numero di conto che inserirai in fase di pagamento.
Su fattura: questa opzione di pagamento è disponibile per i partner che hanno firmato un accordo quadro con la nostra azienda.
Se desideri utilizzare gli ultimi 2 metodi, chiama il nostro responsabile e ti darà istruzioni su come ricevere una fattura con o senza IVA.
I dispositivi elettrici che forniamo soddisfano elevati standard di qualità, hanno una garanzia di 24 mesi e soddisfano tutti i requisiti UE.
Inoltre, offriamo la spedizione gratuita per ordini superiori a 100 €. Abbiamo un sistema flessibile di sconti e promozioni. Le conoscenze tecniche e l'esperienza dei nostri dipendenti ci consentono di fornire consulenza di alta qualità e, se necessario, offrire alternative ai prodotti elettrici.
L’attrezzatura elettrica che forniamo soddisfa elevati standard di qualità, è coperta da una garanzia di 24 mesi e rispetta tutti i requisiti dell’UE.
In caso di reclamo, la restituzione della merce non viene addebitata.
