
Ricevi un'email quando questo prodotto torna disponibile
- Descrizione
- Istruzioni
- Metodi di pagamento
- Garanzia
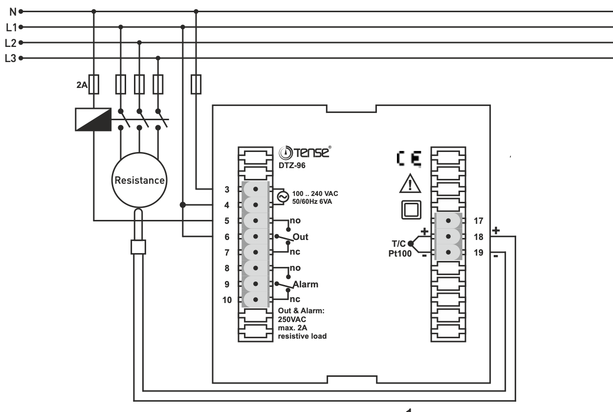
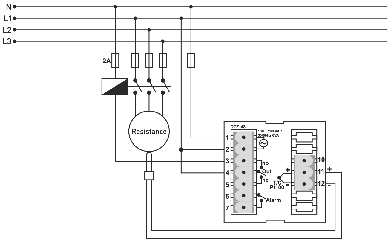
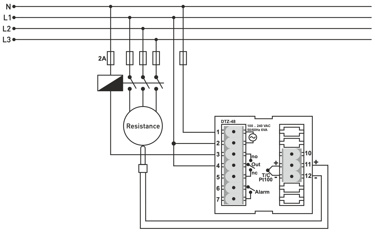
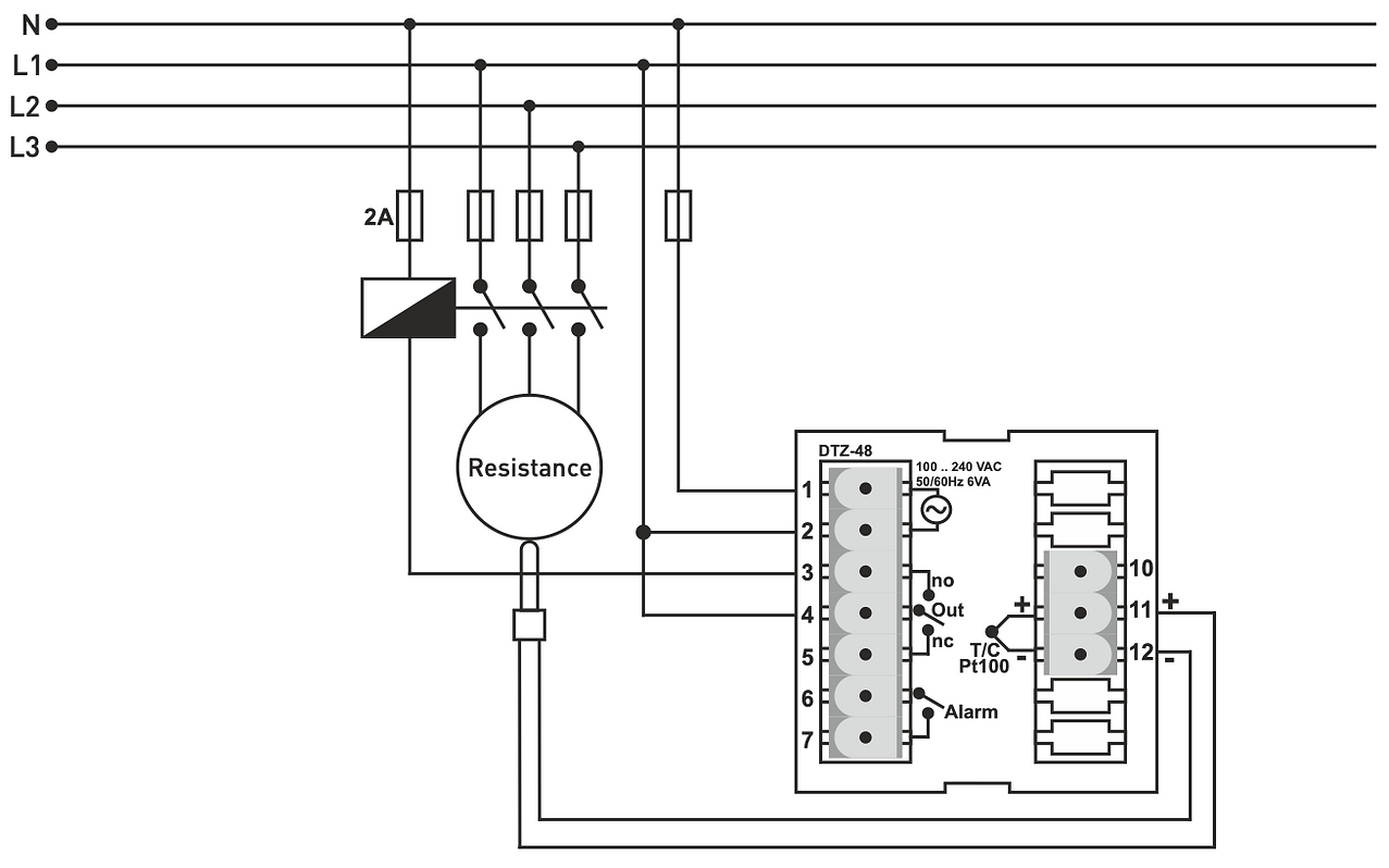
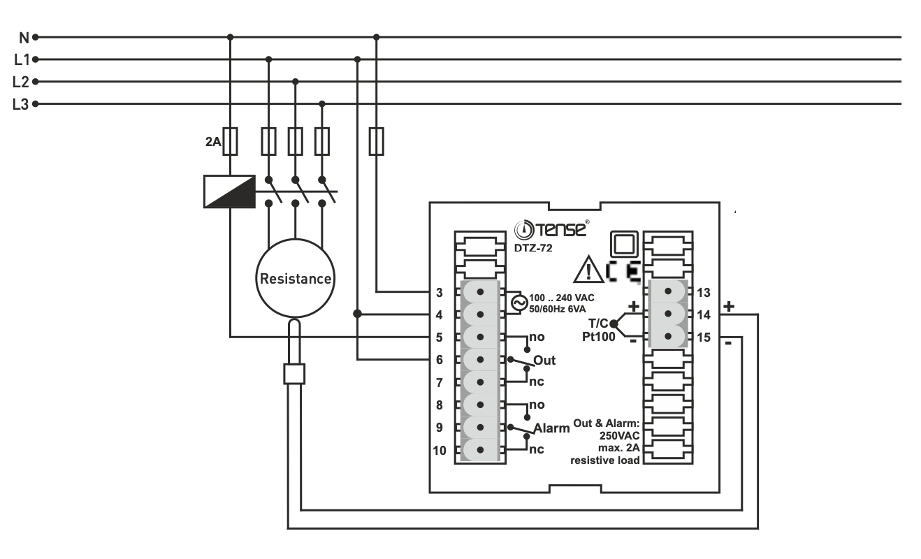
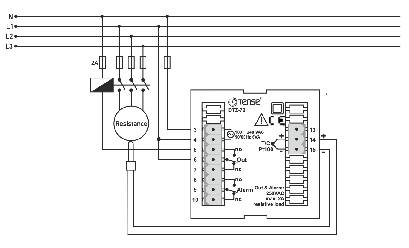
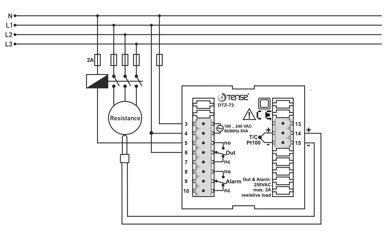
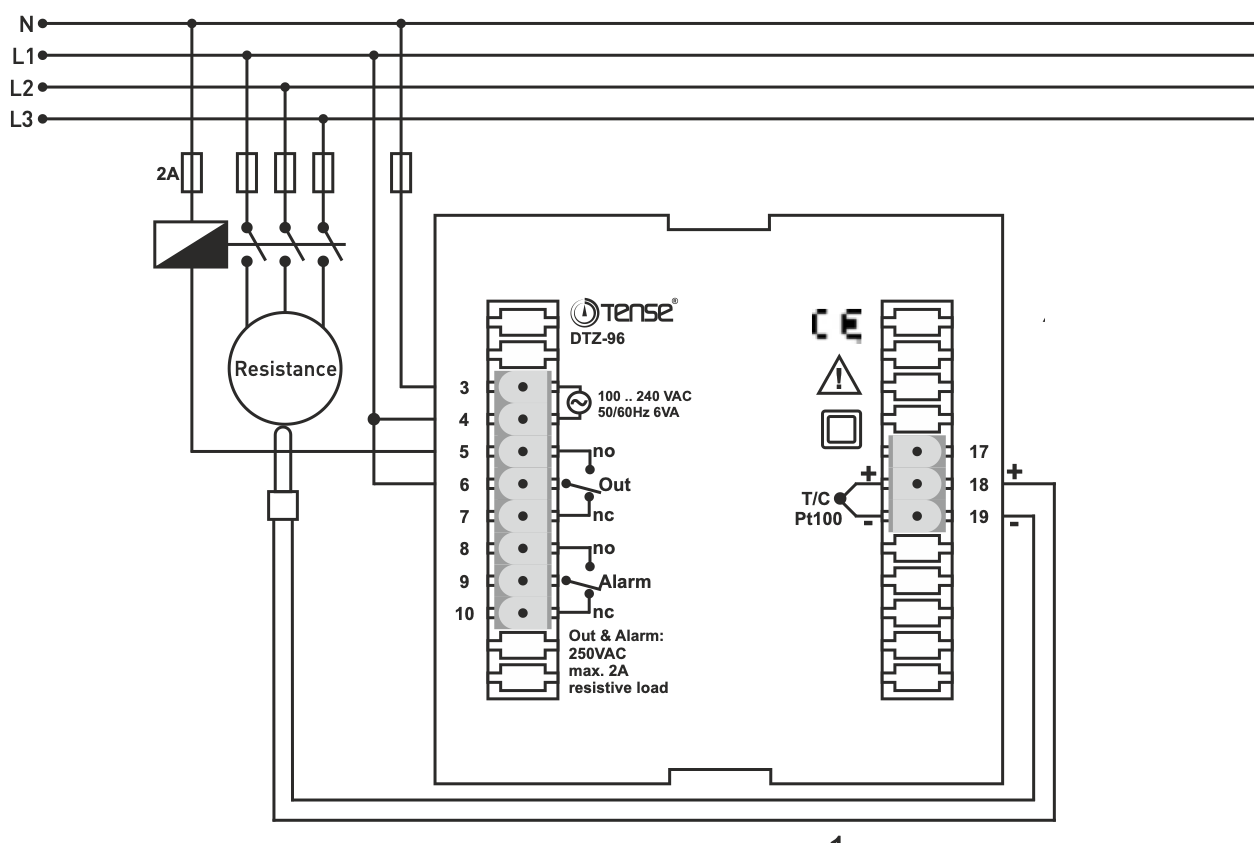
Controllore di temperatura a pannello PID - TENSE DTZ-48
DTZ-48 è un termoregolatore da pannello con timer incorporato, progettato per il controllo preciso dei processi termici nell'industria, nel riscaldamento, nel condizionamento, nei sistemi di ventilazione e nell'automazione degli edifici.
Il controllo avviene in modalità classica ON/OFF o tramite un avanzato controllo PID con auto-ottimizzazione e limitazione del superamento del valore di processo.
Caratteristiche principali
-
Campo di misura della temperatura: da -100 °C a +1750 °C (a seconda del tipo di sensore)
-
Tipo di sensore: termocoppie T/C (J, K, T, S, R) o sensore resistivo Pt100
-
Tipo di controllo: P, PI, PD, PID o ON-OFF
-
Timer incorporato per il controllo del processo
-
Regolazione automatica dei parametri PID
-
Anti-windup - impedisce all'uscita di controllo di aumentare durante la saturazione
-
Ritardo di accensione dell'uscita per la modalità di raffreddamento
-
Protezione con password
-
Memoria EEPROM per la memorizzazione delle impostazioni
-
Uscita di controllo: relè OUT (NO+NC) 250 VAC, 2A
-
Uscita di allarme: relè ALARM (NO+NC) 250 VAC, 2A, attivo in caso di valore superiore o inferiore (ON solo su DTZ-48)
-
Display: Ad alto contrasto, facile da leggere anche in condizioni di scarsa illuminazione
Funzioni
-
Controllo preciso della temperatura con regolazione del campo di misura specifico del sensore
-
Il regolatore consente la visualizzazione simultanea del setpoint e del valore effettivo
-
Il timer incorporato consente di programmare i processi di riscaldamento o raffreddamento
-
Il relè di allarme avvisa quando il valore viene superato o non raggiunto
Sensore consigliato
-
Termocoppia tipo J Fe-Const (6/8 metri)
-
Scala di misura: da -100 °C a +600 °C
-
Lunghezze dei cavi: 1 m, 1,5 m, 2 m, 2,5 m, 3 m, 4 m e 5 m
Applicazioni
-
Controllo del riscaldamento e del raffreddamento in forni e linee industriali
-
Controllo della temperatura di macchine e attrezzature nell'industria alimentare, chimica e leggera
-
Automazione degli edifici e sistemi di condizionamento dell'aria
-
Applicazioni in cui è richiesta un'uscita di allarme affidabile
Pagamento con carta online: dopo aver completato l'ordine, verrai reindirizzato al gateway di pagamento, la conferma del pagamento verrà inviata alla tua email
COD: paghi il pagamento in base all'ordine di pagamento all'autista della compagnia di trasporti
Tramite bonifico bancario- riceverai al tuo indirizzo email entro e non oltre il giorno lavorativo successivo una fattura anticipata, sulla quale troverai il numero di conto che inserirai in fase di pagamento.
Su fattura: questa opzione di pagamento è disponibile per i partner che hanno firmato un accordo quadro con la nostra azienda.
Se desideri utilizzare gli ultimi 2 metodi, chiama il nostro responsabile e ti darà istruzioni su come ricevere una fattura con o senza IVA.
I dispositivi elettrici che forniamo soddisfano elevati standard di qualità, hanno una garanzia di 24 mesi e soddisfano tutti i requisiti UE.
Inoltre, offriamo la spedizione gratuita per ordini superiori a 100 €. Abbiamo un sistema flessibile di sconti e promozioni. Le conoscenze tecniche e l'esperienza dei nostri dipendenti ci consentono di fornire consulenza di alta qualità e, se necessario, offrire alternative ai prodotti elettrici.
L’attrezzatura elettrica che forniamo soddisfa elevati standard di qualità, è coperta da una garanzia di 24 mesi e rispetta tutti i requisiti dell’UE.
In caso di reclamo, la restituzione della merce non viene addebitata.
