
Ricevi un'email quando questo prodotto torna disponibile
- Descrizione
- Istruzioni
- Metodi di pagamento
- Garanzia
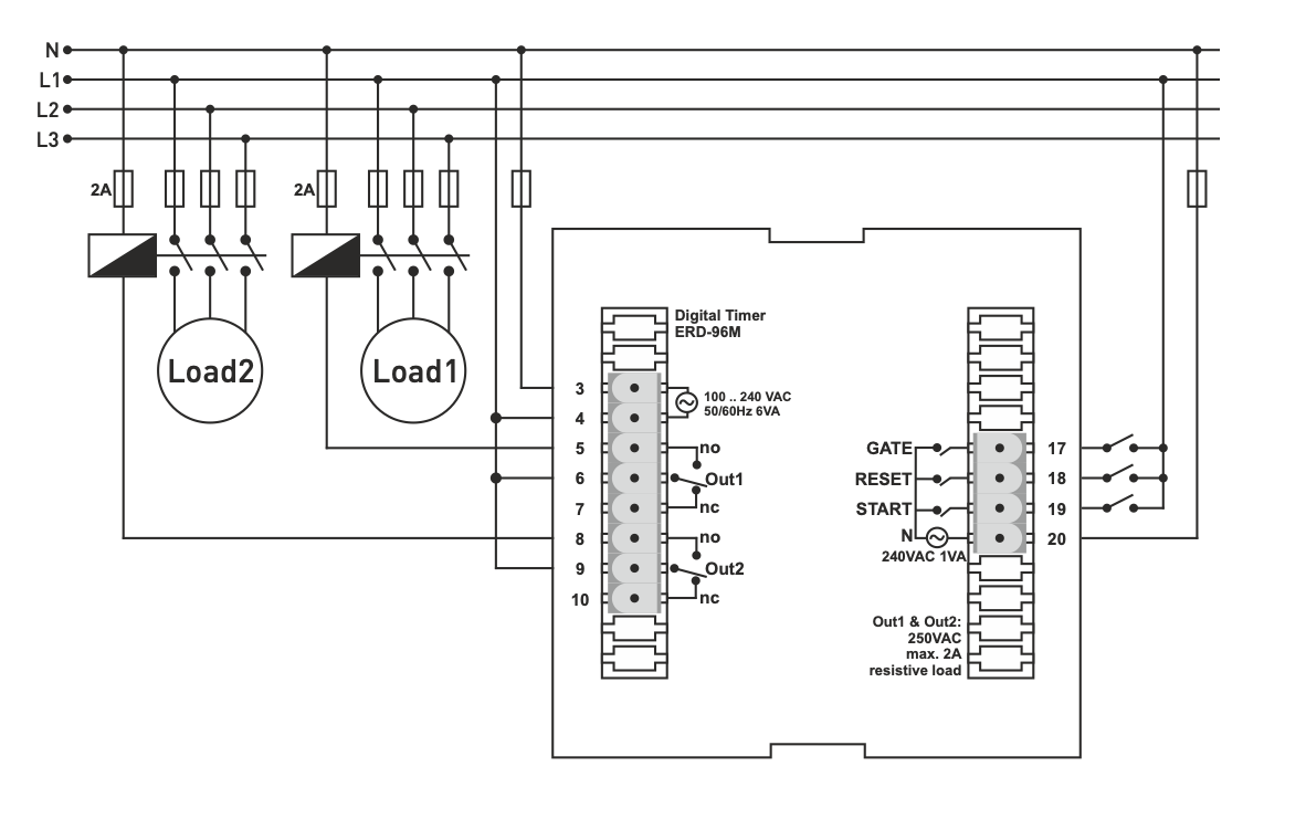
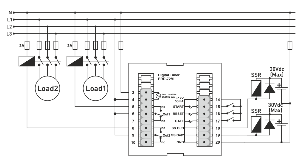
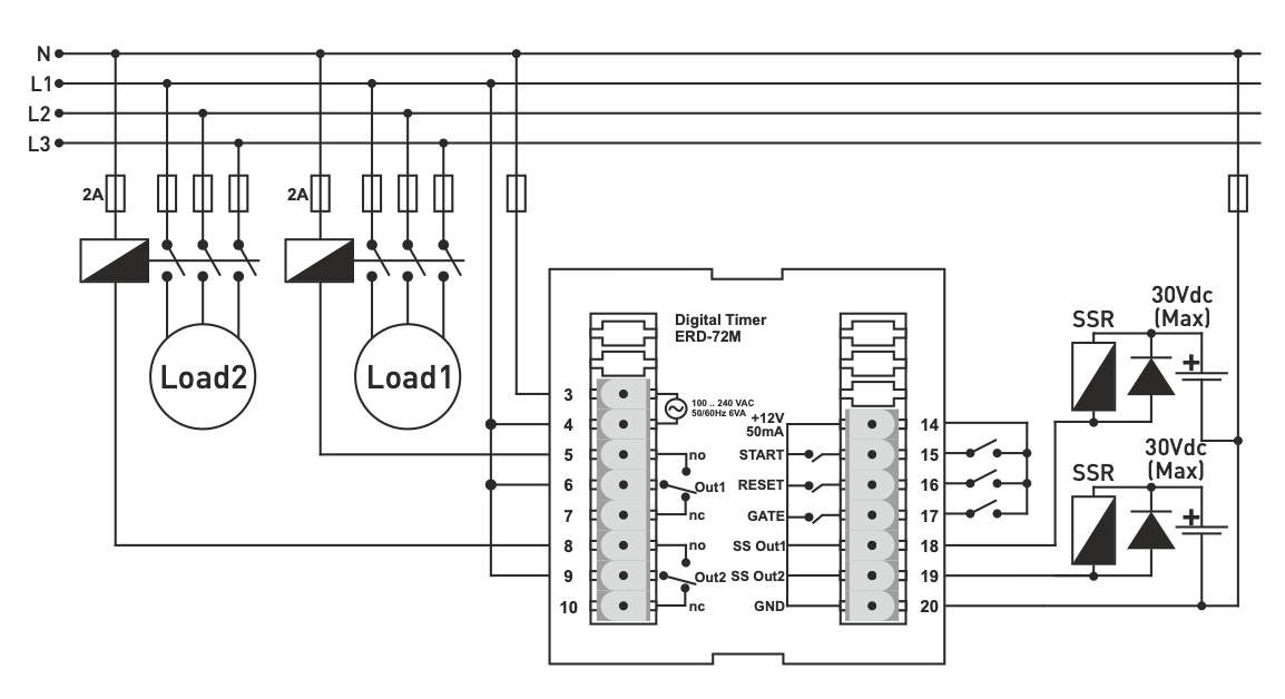
Relè orario da pannello ERD-48M - Timer digitale universale per l'automazione industriale e domestica
Il relè orario da pannello ERD-48M è un temporizzatore digitale multiuso progettato per il controllo dei cicli temporali, dei processi industriali, delle macchine monofunzionali e dell'automazione domestica. Offre 13 diverse modalità operative, una programmazione precisa e un'ampia gamma di opzioni di controllo.
Il dispositivo consente una semplice impostazione della sequenza temporale da 0,1 secondi a 99,59 ore, utilizzando i pulsanti del pannello frontale. Il doppio display a LED rende la visualizzazione dei valori chiara e leggibile anche a distanza.
Caratteristiche principali:
-
Timer digitale multifunzione con ingressi di controllo START / RESET / GATE
-
13 modalità programmabili per un'ampia gamma di applicazioni
-
Unità di tempo: ore (99:59) / minuti (99:59) / secondi (599,9 s)
-
Memoria dell'ultimo stato - ricorda le impostazioni e lo stato delle uscite in caso di interruzione dell'alimentazione
-
Doppio display a LED:
-
riga superiore (rossa): setpoint
-
riga inferiore (gialla): tempo o stato attuale misurato
-
-
Indicazione della chiusura del relè OUT con un LED rosso
-
Alimentazione integrata per i sensori: 12 V CC, max. 50 mA
-
Compatibile con segnali a 24 V CC (PNP) o uscita personalizzata a 12 V dal morsetto 9
-
Struttura robusta, montaggio a pannello 48×48 mm
Funzioni e controlli
Il dispositivo comprende 13 diverse modalità di funzionamento che consentono la massima flessibilità di controllo:
-
Ritardo ON
-
Ritardo di tempo OFF
-
accensione/spegnimento ciclico
-
temporizzazione una tantum
-
controllo logico sequenziale
-
relè a tempo con pausa (GATE)
-
altre modalità di temporizzazione speciali
(Un elenco di 13 modalità può essere aggiunto su richiesta).
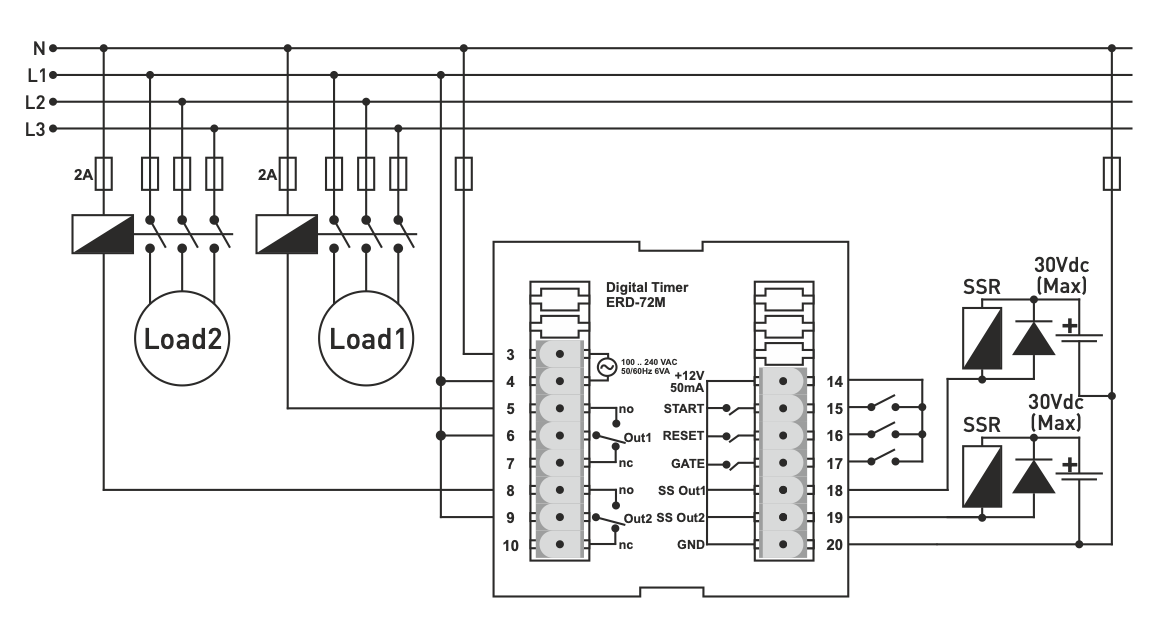
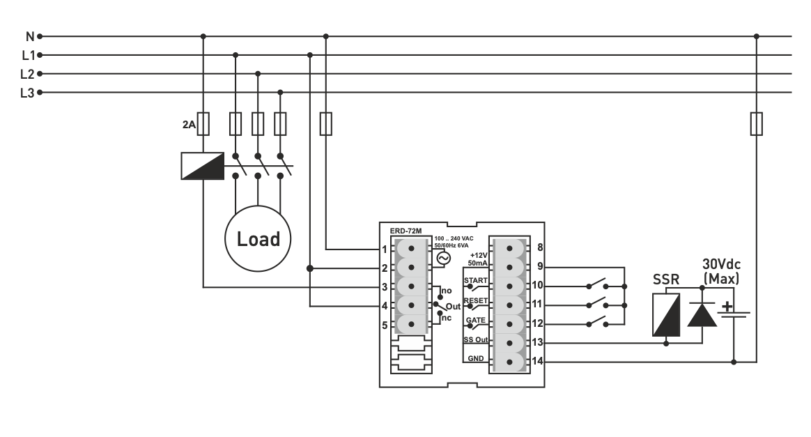
Ingressi di controllo:
-
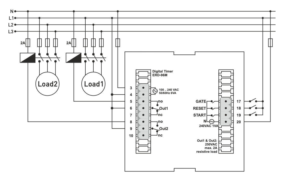
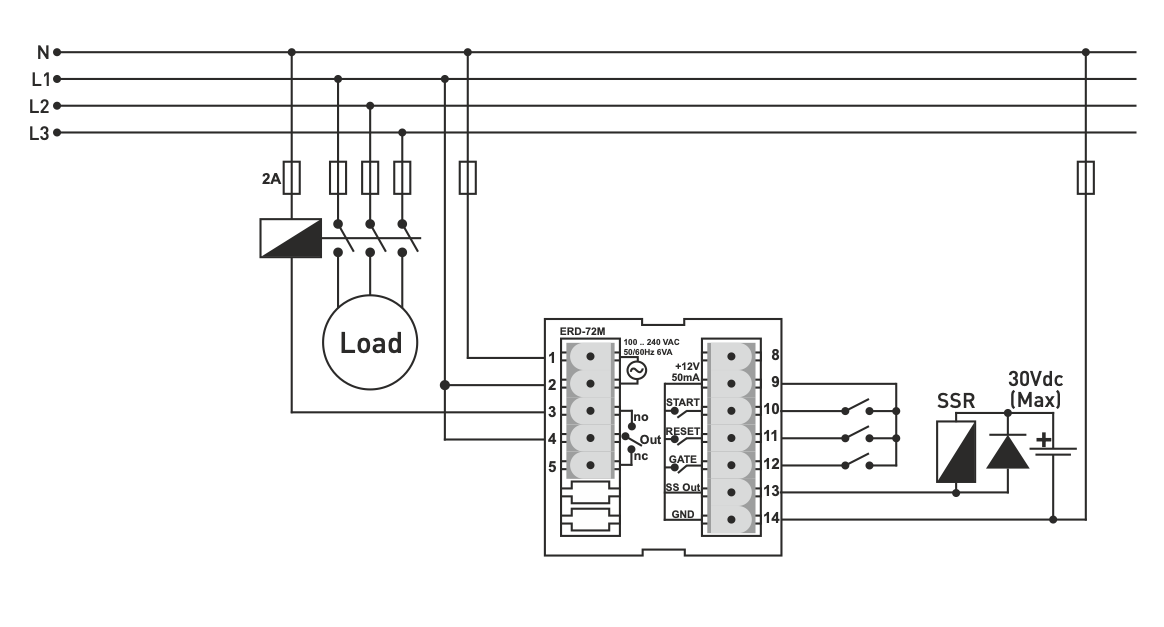
START (morsetto 10): avvia il timer.
-
RESET (morsetto 11): azzera il tempo.
-
GATE (morsetto 12): mette in pausa il conto alla rovescia (PAUSE).
-
Terminale 9: +12 V CC integrato per sensori/pulsanti di comando (max. 50 mA)
Uscite
Uscita a relè OUT1 (morsetti 4-3-5):
-
Tipo: interruttore SPDT (NO-COM-NC)
-
Carico: 250 VAC / 2 A, carico resistivo
Uscita SSR OUT2 (terminali 13 e 14):
-
Segnale di controllo per relè a stato solido
-
Livello massimo di uscita: 30 V CC
Specifiche tecniche
-
Tensione di alimentazione: 100...240 V CA, 50/60 Hz
-
Consumo di energia: < 8 VA
-
Intervallo di temporizzazione:
-
0,1 s a 599,9 s
-
Da 0 a 99:59 min
-
Da 0 a 99:59 h
-
-
Ingressi START/RESET/GATE: 7-32 V CC (ON), 0-2 V CC (OFF)
-
Display: 2×4 cifre, LED a 7 segmenti (rosso + giallo)
-
Temperatura di funzionamento: da -20 °C a +55 °C
-
Foro per il montaggio a pannello: 44 × 44 mm
-
Dimensioni complessive: 48 × 48 × 99 mm
-
Altitudine di funzionamento: < 2000 m
-
Montaggio: montaggio a pannello, montaggio frontale
Pagamento con carta online: dopo aver completato l'ordine, verrai reindirizzato al gateway di pagamento, la conferma del pagamento verrà inviata alla tua email
COD: paghi il pagamento in base all'ordine di pagamento all'autista della compagnia di trasporti
Tramite bonifico bancario- riceverai al tuo indirizzo email entro e non oltre il giorno lavorativo successivo una fattura anticipata, sulla quale troverai il numero di conto che inserirai in fase di pagamento.
Su fattura: questa opzione di pagamento è disponibile per i partner che hanno firmato un accordo quadro con la nostra azienda.
Se desideri utilizzare gli ultimi 2 metodi, chiama il nostro responsabile e ti darà istruzioni su come ricevere una fattura con o senza IVA.
I dispositivi elettrici che forniamo soddisfano elevati standard di qualità, hanno una garanzia di 24 mesi e soddisfano tutti i requisiti UE.
Inoltre, offriamo la spedizione gratuita per ordini superiori a 100 €. Abbiamo un sistema flessibile di sconti e promozioni. Le conoscenze tecniche e l'esperienza dei nostri dipendenti ci consentono di fornire consulenza di alta qualità e, se necessario, offrire alternative ai prodotti elettrici.
L’attrezzatura elettrica che forniamo soddisfa elevati standard di qualità, è coperta da una garanzia di 24 mesi e rispetta tutti i requisiti dell’UE.
In caso di reclamo, la restituzione della merce non viene addebitata.
