
Ricevi un'email quando questo prodotto torna disponibile
- Descrizione
- Istruzioni
- Metodi di pagamento
- Garanzia
Controllore del fattore di potenza 12 passi + TCR con display LCD grafico da 2,9" (TENSE) - RGT-12E
Il regolatore di potenza reattiva RGT-12E di TENSE è un regolatore completamente automatico e altamente preciso, progettato per il controllo ottimale degli stadi di compensazione nei sistemi di potenza. Grazie alla misurazione digitale, agli algoritmi intelligenti e al display LCD grafico, garantisce un fattore di potenza stabile, un controllo efficiente della potenza reattiva e la protezione delle apparecchiature di compensazione.
Caratteristiche e funzioni principali
Rilevamento automatico degli stadi di compensazione
Il controllore si configura da solo dopo l'accensione:
-
Rileva automaticamente la dimensione degli stadi di condensazione collegati
-
è anche possibile inserire i parametri manualmente
-
il sistema controlla continuamente lo stato di ogni stadio
Controllo intelligente della commutazione
Il controllore inserisce e disinserisce gli stadi in modo da:
-
si ottenga un fattore di potenza stabile con un numero minimo di commutazioni
-
i singoli stadi siano caricati in modo uniforme
-
vengano preferiti i condensatori con la carica residua più bassa
-
lo stato di ogni stadio sia controllato simultaneamente (guasti, cambi di potenza, rimozione e reinserimento).
Supporto TCR (Thyristor Switched Reactor)
Il controllore consente il controllo della compensazione con reattori a tiristori commutati, ideale per:
-
Applicazioni industriali
-
compensazione dinamica
-
sistemi con frequenti variazioni di carico
Misura e analisi avanzate
-
Misura delle tensioni e delle correnti armoniche fino alla 31a armonica
-
Monitoraggio dell'energia totale (importazione/esportazione)
-
Misure di THD-V e THD-I per ogni fase
-
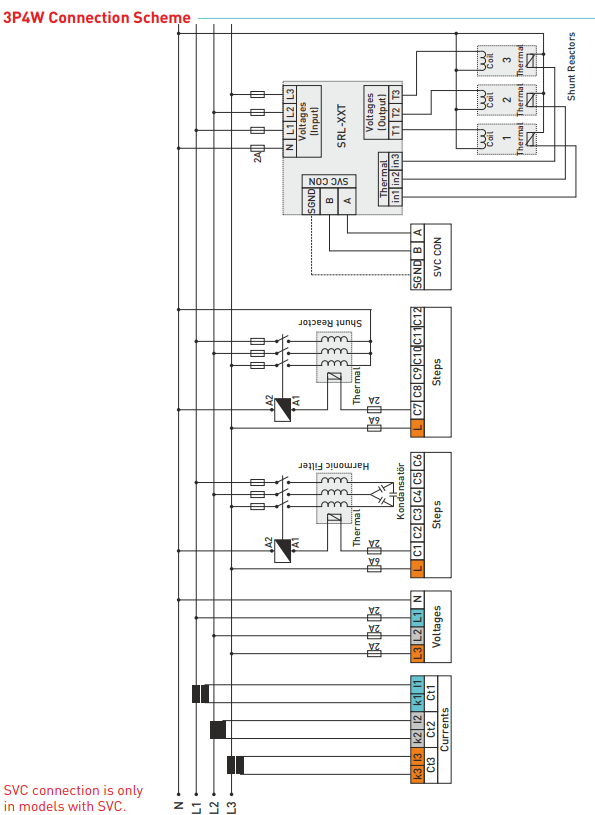
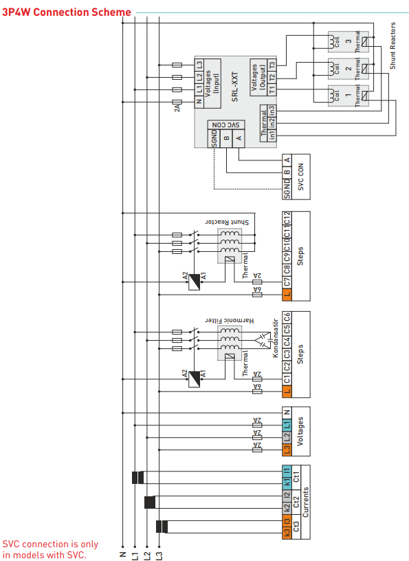
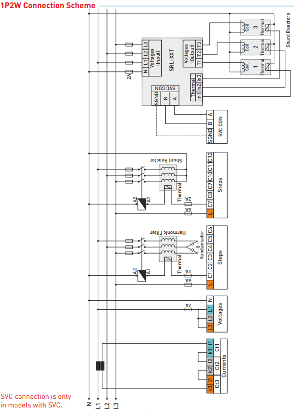
Generazione di analisi di potenza (20 campioni di 9999 min) - molto utile nella progettazione di gruppi dicompensazioneCablaggioflessibiledegli elementi di compensazione
Opzioni di applicazione:
-
condensatori monofase
-
condensatori bifase
-
condensatori trifase
-
reattori shunt
Funzioni temporali regolabili
Può essere impostato:
-
tempo di intervento
-
tempo di scarica
-
tempo di assestamento
Ciò consente di adattare con precisione il controllo alla natura del funzionamento.
Funzioni del generatore
Il regolatore dispone di:
-
ingresso di controllo del generatore
-
funzione di compensazione dell'alimentazione del generatore
Caratteristiche tecniche (breve panoramica)
-
12 uscite di compensazione a relè
-
Supporto TCR
-
Display LCD grafico da 2,9
-
Rilevamento automatico delle fasi
-
Misura delle armoniche fino al 31° ordine
-
Statistiche e storia dell'energia
-
THD-V / THD-I
-
Supporto per fasi monofase, bifase e trifase
-
Tempo di spegnimento, accensione e scarica programmabile
-
Protezione dai guasti nelle fasi
Pagamento con carta online: dopo aver completato l'ordine, verrai reindirizzato al gateway di pagamento, la conferma del pagamento verrà inviata alla tua email
COD: paghi il pagamento in base all'ordine di pagamento all'autista della compagnia di trasporti
Tramite bonifico bancario- riceverai al tuo indirizzo email entro e non oltre il giorno lavorativo successivo una fattura anticipata, sulla quale troverai il numero di conto che inserirai in fase di pagamento.
Su fattura: questa opzione di pagamento è disponibile per i partner che hanno firmato un accordo quadro con la nostra azienda.
Se desideri utilizzare gli ultimi 2 metodi, chiama il nostro responsabile e ti darà istruzioni su come ricevere una fattura con o senza IVA.
I dispositivi elettrici che forniamo soddisfano elevati standard di qualità, hanno una garanzia di 24 mesi e soddisfano tutti i requisiti UE.
Inoltre, offriamo la spedizione gratuita per ordini superiori a 100 €. Abbiamo un sistema flessibile di sconti e promozioni. Le conoscenze tecniche e l'esperienza dei nostri dipendenti ci consentono di fornire consulenza di alta qualità e, se necessario, offrire alternative ai prodotti elettrici.
L’attrezzatura elettrica che forniamo soddisfa elevati standard di qualità, è coperta da una garanzia di 24 mesi e rispetta tutti i requisiti dell’UE.
In caso di reclamo, la restituzione della merce non viene addebitata.
