
Ricevi un'email quando questo prodotto torna disponibile
- Descrizione
- Istruzioni
- Metodi di pagamento
- Garanzia
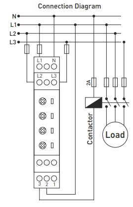
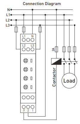
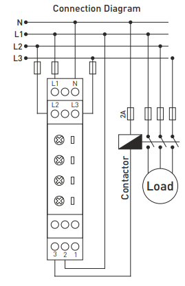
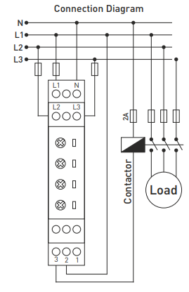
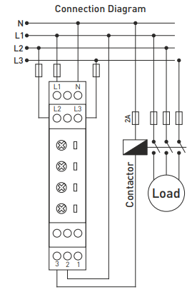
Relè di monitoraggio della tensione con timer di ritardo per il ritorno allo stato operativo, monitoraggio dell'aumento e della diminuzione della tensione, impostazione del valore minimo e massimo della tensione, con controllo della sequenza di fase GKV-12F, TENSE
L'algoritmo di funzionamento del relè di monitoraggio della tensione è il seguente:
Quando il relè è collegato alla tensione di alimentazione e i valori di tensione corrispondono ai valori impostati, il relè si attiva e il LED del relè () si accende. Quando i valori di tensione superano i valori impostati, si accende il LED di guasto corrispondente, si attende un tempo di ritardo (DT), dopodiché il relè si disattiva e il LED del relè si spegne. Quando la tensione torna ai valori normali, il dispositivo attende un tempo di ripristino (RT), dopodiché il relè si attiva e il LED del relè si accende.
Impostazioni richieste e messaggi di errore
-
HV: impostazione di alta tensione, quando la tensione supera questo valore, il LED HV si accende.
-
LV: impostazione di bassa tensione, quando la tensione scende al di sotto di questo valore, si accende il LED LV.
-
DT: tempo di ritardo, tempo di attesa prima di inserire l'errore.
-
RT: tempo di reset, tempo di attesa prima che il relè risponda quando la tensione torna normale.
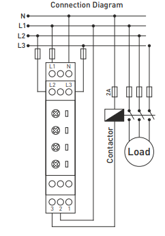
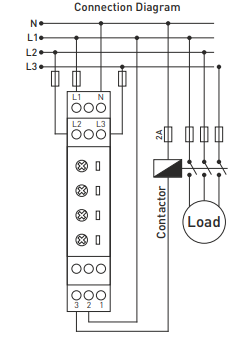
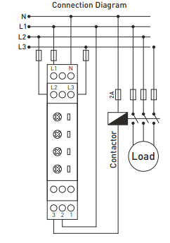
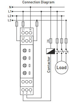
Relè attivato: contatti 2 e 3 chiusi, 1 e 2 aperti.
Relè disattivato: contatti 2 e 1 chiusi, 3 e 2 aperti.
Specifiche tecniche
-
Tensione di funzionamento: 3×380 VCA, 50/60 Hz
-
Tensione nominale di funzionamento: 220 V CA, 50/60 Hz
-
Alta tensione: 230 V-300 V
-
Bassa tensione: 140 V-210 V
-
Tempo di ritardo: 0,1 s - 20 s
-
Tempo di reset: 0,1 s - 20 s
-
Potenza operativa: < 6 VA
-
Temperatura di funzionamento: da -20 °C a +55 °C
-
Display: 4 LED
-
Peso: 0,210 kg
-
Contatto: 5 A / 250 VCA (carico resistivo)
-
Altitudine di funzionamento: < 2000 m
-
Diametro del cavo: 1,5 mm²
Pagamento con carta online: dopo aver completato l'ordine, verrai reindirizzato al gateway di pagamento, la conferma del pagamento verrà inviata alla tua email
COD: paghi il pagamento in base all'ordine di pagamento all'autista della compagnia di trasporti
Tramite bonifico bancario- riceverai al tuo indirizzo email entro e non oltre il giorno lavorativo successivo una fattura anticipata, sulla quale troverai il numero di conto che inserirai in fase di pagamento.
Su fattura: questa opzione di pagamento è disponibile per i partner che hanno firmato un accordo quadro con la nostra azienda.
Se desideri utilizzare gli ultimi 2 metodi, chiama il nostro responsabile e ti darà istruzioni su come ricevere una fattura con o senza IVA.
I dispositivi elettrici che forniamo soddisfano elevati standard di qualità, hanno una garanzia di 24 mesi e soddisfano tutti i requisiti UE.
Inoltre, offriamo la spedizione gratuita per ordini superiori a 100 €. Abbiamo un sistema flessibile di sconti e promozioni. Le conoscenze tecniche e l'esperienza dei nostri dipendenti ci consentono di fornire consulenza di alta qualità e, se necessario, offrire alternative ai prodotti elettrici.
L’attrezzatura elettrica che forniamo soddisfa elevati standard di qualità, è coperta da una garanzia di 24 mesi e rispetta tutti i requisiti dell’UE.
In caso di reclamo, la restituzione della merce non viene addebitata.
