
Ricevi un'email quando questo prodotto torna disponibile
- Descrizione
- Istruzioni
- Metodi di pagamento
- Garanzia
Relè a tempo ERD-96 ERD-48, ERD-72 - TENSE
Temporizzatore on-delay / relè a impulsi ciclici / generatore di impulsi simmetrici e asimmetrici
Il relè temporizzatore ERD-96 ERD-48, ERD-72 è progettato per creare un ritardo temporale o generare impulsi ciclici per controllare vari processi nei sistemi di automazione e controllo (ACS).
È particolarmente adatto all'uso in:
-
sistemi a corrente alternata,
-
controllo di piscine e tecnologia,
-
sistemi di emergenza e di sicurezza,
-
automazione generale e controllo sequenziale degli impianti.
Caratteristiche principali
-
Due funzioni di base
-
Timer di ritardo
-
Relè ciclico (generatore di impulsi - impulsi simmetrici/asimmetrici)
-
-
Ampio intervallo di tempo:
da 0,1 s a 999 minuti -
Indicazione del conto alla rovescia - visualizzazione digitale del tempo rimanente (tempo di raffreddamento)
-
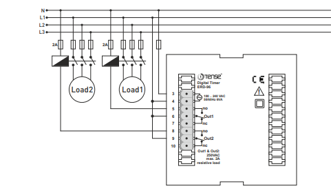
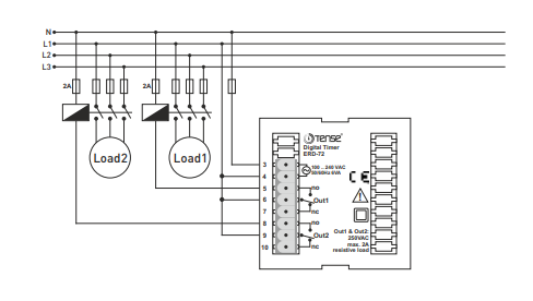
Semplice connessione tramite morsettiera
-
Adatto all'uso universale in reti CA 100...240 V
Caratteristiche tecniche
Parametri meccanici e di visualizzazione
-
Display: display LED a 3 cifre e 7 segmenti
Funzioni
-
Uscita immediata dopo l'avvio (Out2)
-
Uscita ritardata dopo l'avvio (Out1)
Ingressi
-
Ingresso START: contatti 11-12
-
100...240 V CA, 50/60 Hz
-
Consumo max. 3 mA
Temporizzazione
-
-
Campi:
-
99,9 s
-
999 s
-
99,9 min
-
999 min
(opzionale)
-
-
Risoluzione:
-
0,1 s / 1 s / 0,1 min / 1 min
-
-
Precisione: ±1,5% del valore impostato
Uscite
-
Out1 - Uscita ritardata:
-
Relè NO-O-NC
-
250 V CA, 2 A (carico resistivo)
-
-
Out2 - Uscita immediata:
-
Relè NO-O
-
250 V CA, 2 A (carico resistivo)
-
Alimentazione
-
Tensione di alimentazione: 100...240 V CA, 50/60 Hz
-
Consumo di energia: < 5 VA
Condizioni ambientali
-
Temperatura di funzionamento: da -20 °C a +55 °C
-
Altitudine di funzionamento: fino a 2000 m
Pagamento con carta online: dopo aver completato l'ordine, verrai reindirizzato al gateway di pagamento, la conferma del pagamento verrà inviata alla tua email
COD: paghi il pagamento in base all'ordine di pagamento all'autista della compagnia di trasporti
Tramite bonifico bancario- riceverai al tuo indirizzo email entro e non oltre il giorno lavorativo successivo una fattura anticipata, sulla quale troverai il numero di conto che inserirai in fase di pagamento.
Su fattura: questa opzione di pagamento è disponibile per i partner che hanno firmato un accordo quadro con la nostra azienda.
Se desideri utilizzare gli ultimi 2 metodi, chiama il nostro responsabile e ti darà istruzioni su come ricevere una fattura con o senza IVA.
I dispositivi elettrici che forniamo soddisfano elevati standard di qualità, hanno una garanzia di 24 mesi e soddisfano tutti i requisiti UE.
Inoltre, offriamo la spedizione gratuita per ordini superiori a 100 €. Abbiamo un sistema flessibile di sconti e promozioni. Le conoscenze tecniche e l'esperienza dei nostri dipendenti ci consentono di fornire consulenza di alta qualità e, se necessario, offrire alternative ai prodotti elettrici.
L’attrezzatura elettrica che forniamo soddisfa elevati standard di qualità, è coperta da una garanzia di 24 mesi e rispetta tutti i requisiti dell’UE.
In caso di reclamo, la restituzione della merce non viene addebitata.
