
Notified by email when this product becomes available
- Description
- Instructions
- Payment methods
- Warranty
|
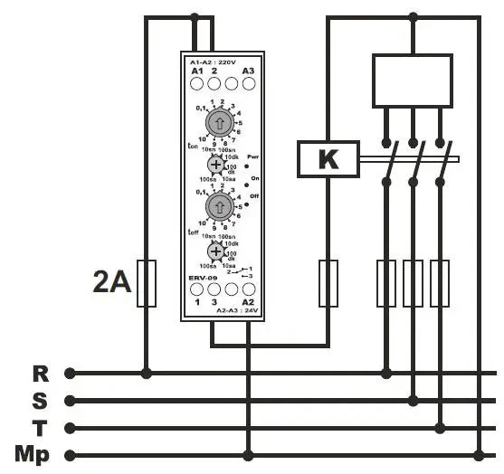
Cyclic relay ERV-09D, manufacturer Tense (Turkey) The ERV-09D signaling relay is designed for use in places (production, residential buildings, factories, etc.) where double control (On-Off) is required.
230 V AC or 12 V DC Operation: 1 s - 99 min (adjustable)
Standby: 1 s - 99 min (adjustable)
Display: the value is shown during time setting and the countdown of the set time. If the operating time is set in minutes, the dot on the right side of the display flashes during the device countdown.
The ON indication is reserved for operating time, while the OFF indication is reserved for standby time.
Technical specifications
Operating voltage (A1-A2) 100-240 V AC, 50/60 Hz. Operating voltage (A2-A3) 12 V DC (A2(-), A3(+)) Operating frequency 50/60 Hz. Operating power: <6 VA Operating temperature: -20 °C.....+55 °C Time interval: 0.1 s - 99 min. Display: 2x2 LED, 1 LED. DIN rail mounting. Weight: <80 g. Contacts: 5 A, 250 V AC, resistive load. |
Operating altitude: <2000 m. Cable diameter 2.5 mm².
Online card payment: after completing the order, you will be redirected to the payment gateway, the payment confirmation will be sent to your email
COD: you pay the payment according to the payment order to the transport company driver
By bank transfer- you will receive an advance invoice at your email address no later than the next working day, on which you will find the account number to enter during payment.
On invoice: this payment option is available for partners who have signed a framework agreement with our company.
If you want to use the last 2 methods, call our manager and he will give you instructions on how to receive an invoice with or without VAT.
The electrical devices we provide meet high quality standards, have a 24-month warranty, and meet all EU requirements.
Additionally, we offer free shipping for orders over €100. We have a flexible system of discounts and promotions. The technical knowledge and experience of our employees allow us to provide high-quality advice and, if necessary, offer alternatives to electrical products.
The electrical equipment we provide meets high quality standards, is covered by a 24-month warranty, and complies with all EU requirements.
In case of a complaint, the return of the goods is not charged.
