Notified by email when this product becomes available
Pre-order product
- Description
- Instructions
- Payment methods
- Warranty
|
72x72 mm panel digital multimeter (electronic ammeter-voltmeter) single-phase, produced by TENSE, includes current transformer.
The DAV-72D is a digital volt-ampere combination meter, designed for continuous monitoring:
AC voltage between phase and neutral conductor, and the absorbed load current (AC), measured by an external current transformer (CT). The instrument is used in electrical panels, production, distribution, and power monitoring systems.
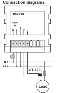
Operating principle and use
The instrument connects to the phase conductor and the neutral conductor to be measured via the terminals - this allows voltage measurement. The absorbed current is measured with an external current transformer CT-120, supplied. The secondary winding conductors of the current transformer are connected to terminals K and L on the back of the instrument. When the power supply is connected, the display shows: Effective phase voltage (in volts), load current (in amperes). Installation and configuration
Install the device on the front panel (panel mounting); the hole size is 68 × 68 mm. Connect the CT-120 according to the diagram: the load wire is passed through the transformer and its output is connected to K and L. When power is connected, the device automatically displays current and voltage values. (Do not use current transformers of other types or manufacturers: values are factory calibrated specifically for the CT-120).
Technical specifications
Operating voltage: alternating current (AC) from 140 to 270 V Mains frequency: 50/60 Hz Displayed voltage range: from 5 V to 300 V AC Measured current range: from 1 A to 100 A (via CT-120 transformer) Measurement accuracy: Voltage: ±1 % current: ±3 Display: 2 lines, 3 digits, character height - 14 mm Current measurement: via CT-120, connected to terminals K and L Power: less than 6 VA Operating temperature: from -20 °C to +55 °C Installation altitude: up to 2000 m above sea level Connection: plug-in terminals Cable cross-section: up to 1.5 mm² Mounting: panel, front side Weight: up to 220 g |
Online card payment: after completing the order, you will be redirected to the payment gateway, the payment confirmation will be sent to your email
COD: you pay the payment according to the payment order to the transport company driver
By bank transfer- you will receive an advance invoice at your email address no later than the next working day, on which you will find the account number to enter during payment.
On invoice: this payment option is available for partners who have signed a framework agreement with our company.
If you want to use the last 2 methods, call our manager and he will give you instructions on how to receive an invoice with or without VAT.
The electrical devices we provide meet high quality standards, have a 24-month warranty, and meet all EU requirements.
Additionally, we offer free shipping for orders over €100. We have a flexible system of discounts and promotions. The technical knowledge and experience of our employees allow us to provide high-quality advice and, if necessary, offer alternatives to electrical products.
The electrical equipment we provide meets high quality standards, is covered by a 24-month warranty, and complies with all EU requirements.
In case of a complaint, the return of the goods is not charged.



