
Ricevi un'email quando questo prodotto torna disponibile
- Descrizione
- Istruzioni
- Metodi di pagamento
- Garanzia
Multimetro da pannello trifase TENSE - VAHz
Descrizione del prodotto
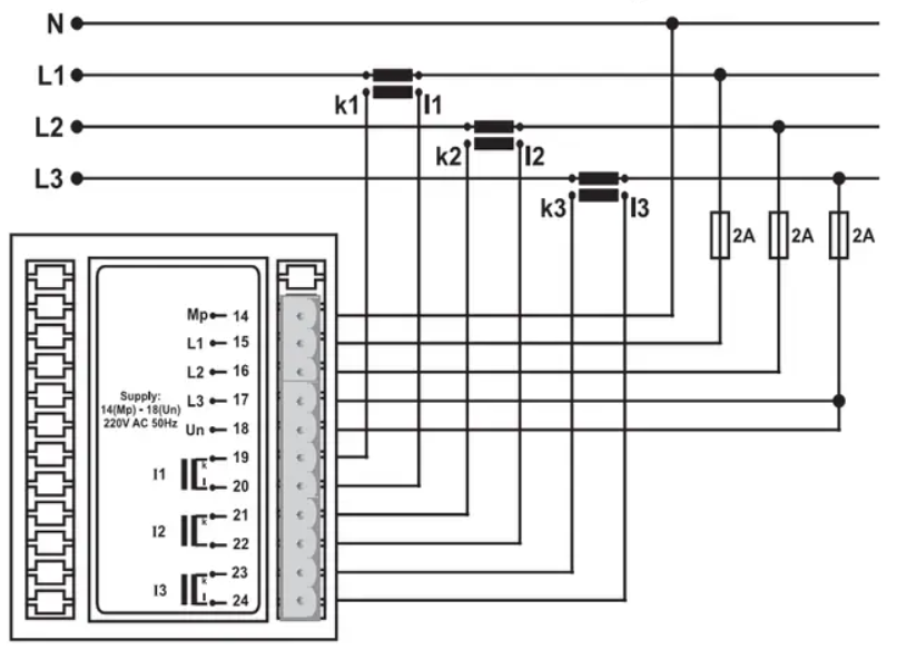
Il multimetro digitale da pannello trifase TENSE è uno strumento multifunzionale per il monitoraggio dei parametri elettrici nei sistemi trifase. Lo strumento consente di misurare la tensione, la corrente e la frequenza, di verificare il corretto collegamento delle fasi ed è adatto per apparecchiature industriali, macchine e sistemi di distribuzione di corrente alternata.
Principali vantaggi
-
Misura multifunzionale: I, U (L-L, L-N), Hz
-
Misura indiretta della corrente attraverso i trasformatori di corrente collegati
-
Monitoraggio delle fasi e controllo del cablaggio
-
Trasformatore di misura incluso nei modelli EM-100D e EM-250D
-
Montaggio su guida DIN standard
Campi di misura
| Parametri | Modelli EM-06 / EM-72 | EM-100D | EM-250D |
|---|---|---|---|
| Corrente | 5/5 ... 9995/5 A (indiretta) | 1 - 100 A | 2 - 250 A |
| Tensione L-N | 1 - 300 V CA | 1 - 300 V CA | 1 - 300 V AC |
| Tensione L-L | 1 - 500 V AC | 1 - 500 V AC | 1 - 500 V AC |
| Frequenza | 40 - 60 Hz | 40 - 60 Hz | 40 - 60 Hz |
Raccomandazioni
-
Per i modelli EM-06 e EM-72, consigliamo i seguenti trasformatori di corrente:
60/5, 75/5, 100/5, 150/5, 200/5, 250/5, 300/5, 400/5, 500/5, 600/5, 800/5, 1000/5, 1500/5 -
I trasformatori possono essere acquistati direttamente nel nostro e-shop.
Scaricare su
Pagamento con carta online: dopo aver completato l'ordine, verrai reindirizzato al gateway di pagamento, la conferma del pagamento verrà inviata alla tua email
COD: paghi il pagamento in base all'ordine di pagamento all'autista della compagnia di trasporti
Tramite bonifico bancario- riceverai al tuo indirizzo email entro e non oltre il giorno lavorativo successivo una fattura anticipata, sulla quale troverai il numero di conto che inserirai in fase di pagamento.
Su fattura: questa opzione di pagamento è disponibile per i partner che hanno firmato un accordo quadro con la nostra azienda.
Se desideri utilizzare gli ultimi 2 metodi, chiama il nostro responsabile e ti darà istruzioni su come ricevere una fattura con o senza IVA.
I dispositivi elettrici che forniamo soddisfano elevati standard di qualità, hanno una garanzia di 24 mesi e soddisfano tutti i requisiti UE.
Inoltre, offriamo la spedizione gratuita per ordini superiori a 100 €. Abbiamo un sistema flessibile di sconti e promozioni. Le conoscenze tecniche e l'esperienza dei nostri dipendenti ci consentono di fornire consulenza di alta qualità e, se necessario, offrire alternative ai prodotti elettrici.
L’attrezzatura elettrica che forniamo soddisfa elevati standard di qualità, è coperta da una garanzia di 24 mesi e rispetta tutti i requisiti dell’UE.
In caso di reclamo, la restituzione della merce non viene addebitata.
