
Ricevi un'email quando questo prodotto torna disponibile
- Descrizione
- Istruzioni
- Metodi di pagamento
- Garanzia
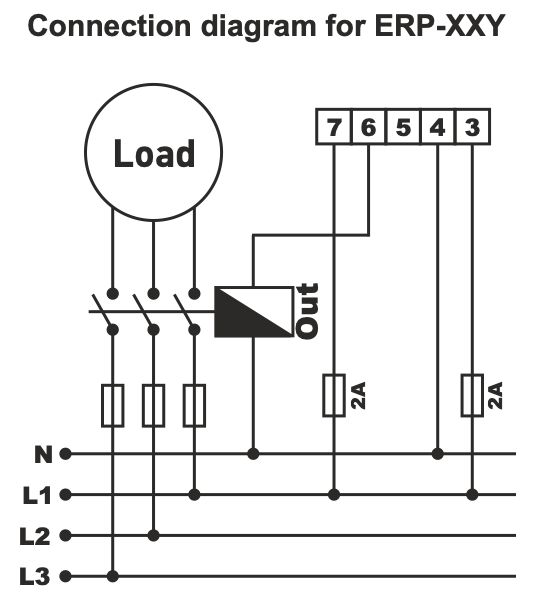
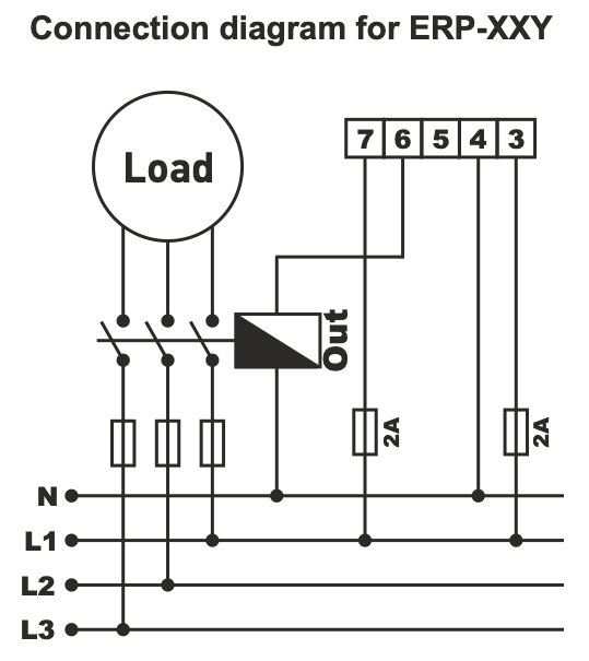
Relè di tempo ON-DELAY ERP (TENSE)
Descrizione:
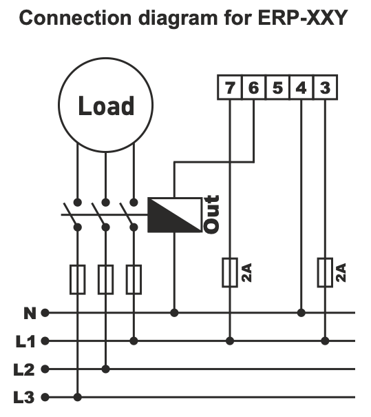
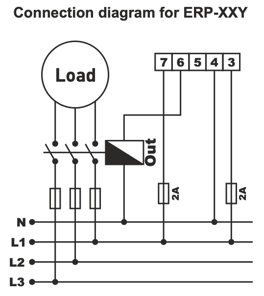
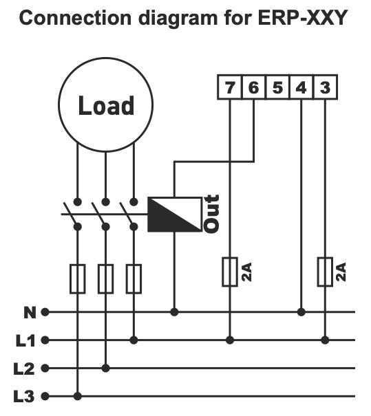
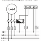
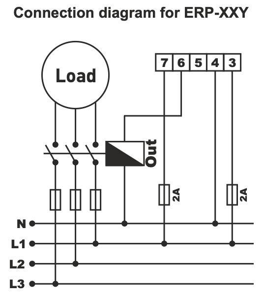
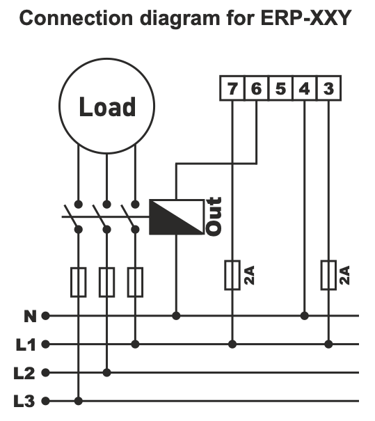
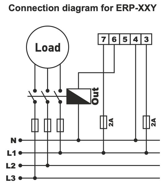
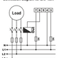
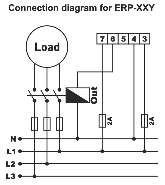
Relè temporizzato ON-DELAY incorporato monofunzionale 230 V/AC con un contatto di commutazione. Il relè viene utilizzato per commutare in sequenza carichi quali caldaie elettriche, forni, riscaldatori e previene le sovracorrenti nella rete che potrebbero causare l'intervento degli interruttori automatici in caso di sovracorrenti di grandi dimensioni. Può anche essere utilizzato per coordinare il tempo di accensione di più dispositivi in macchine, elettrodomestici o altre installazioni.
Parametri tecnici:
-
Alimentazione: 230 V CA.
-
Uscita: 1 × contatto di commutazione (SPDT).
-
Montaggio: 8 pin, 1/16 DIN (48 × 48 mm)
|
ERP-03Y: 0-3 s |
0-3 s |
|
ERP-12Y |
0-12 s |
|
ERP-30Y |
0-30 s |
|
ERP-60Y |
0-60 s |
|
ERP-12DY |
0-12 min |
|
ERP-03DY |
0-3 min |
|
ERP-30DY |
0-30 min |
|
ERP-60DY |
0-60 min |
Utilizzo:
-
Commutazione graduale di carichi (caldaie elettriche, forni, stufe)
-
Protezione contro le sovratensioni di rete
-
Coordinamento della commutazione su più dispositivi
Vantaggi:
-
Relè temporizzato affidabile e preciso
-
Facile installazione su guida DIN
-
Utilizzo universale in applicazioni industriali e domestiche
Categoria: Relè industriali, Automazione, Relè orari
Scaricare su
Pagamento con carta online: dopo aver completato l'ordine, verrai reindirizzato al gateway di pagamento, la conferma del pagamento verrà inviata alla tua email
COD: paghi il pagamento in base all'ordine di pagamento all'autista della compagnia di trasporti
Tramite bonifico bancario- riceverai al tuo indirizzo email entro e non oltre il giorno lavorativo successivo una fattura anticipata, sulla quale troverai il numero di conto che inserirai in fase di pagamento.
Su fattura: questa opzione di pagamento è disponibile per i partner che hanno firmato un accordo quadro con la nostra azienda.
Se desideri utilizzare gli ultimi 2 metodi, chiama il nostro responsabile e ti darà istruzioni su come ricevere una fattura con o senza IVA.
I dispositivi elettrici che forniamo soddisfano elevati standard di qualità, hanno una garanzia di 24 mesi e soddisfano tutti i requisiti UE.
Inoltre, offriamo la spedizione gratuita per ordini superiori a 100 €. Abbiamo un sistema flessibile di sconti e promozioni. Le conoscenze tecniche e l'esperienza dei nostri dipendenti ci consentono di fornire consulenza di alta qualità e, se necessario, offrire alternative ai prodotti elettrici.
L’attrezzatura elettrica che forniamo soddisfa elevati standard di qualità, è coperta da una garanzia di 24 mesi e rispetta tutti i requisiti dell’UE.
In caso di reclamo, la restituzione della merce non viene addebitata.
