
Ricevi un'email quando questo prodotto torna disponibile
- Descrizione
- Istruzioni
- Metodi di pagamento
- Garanzia
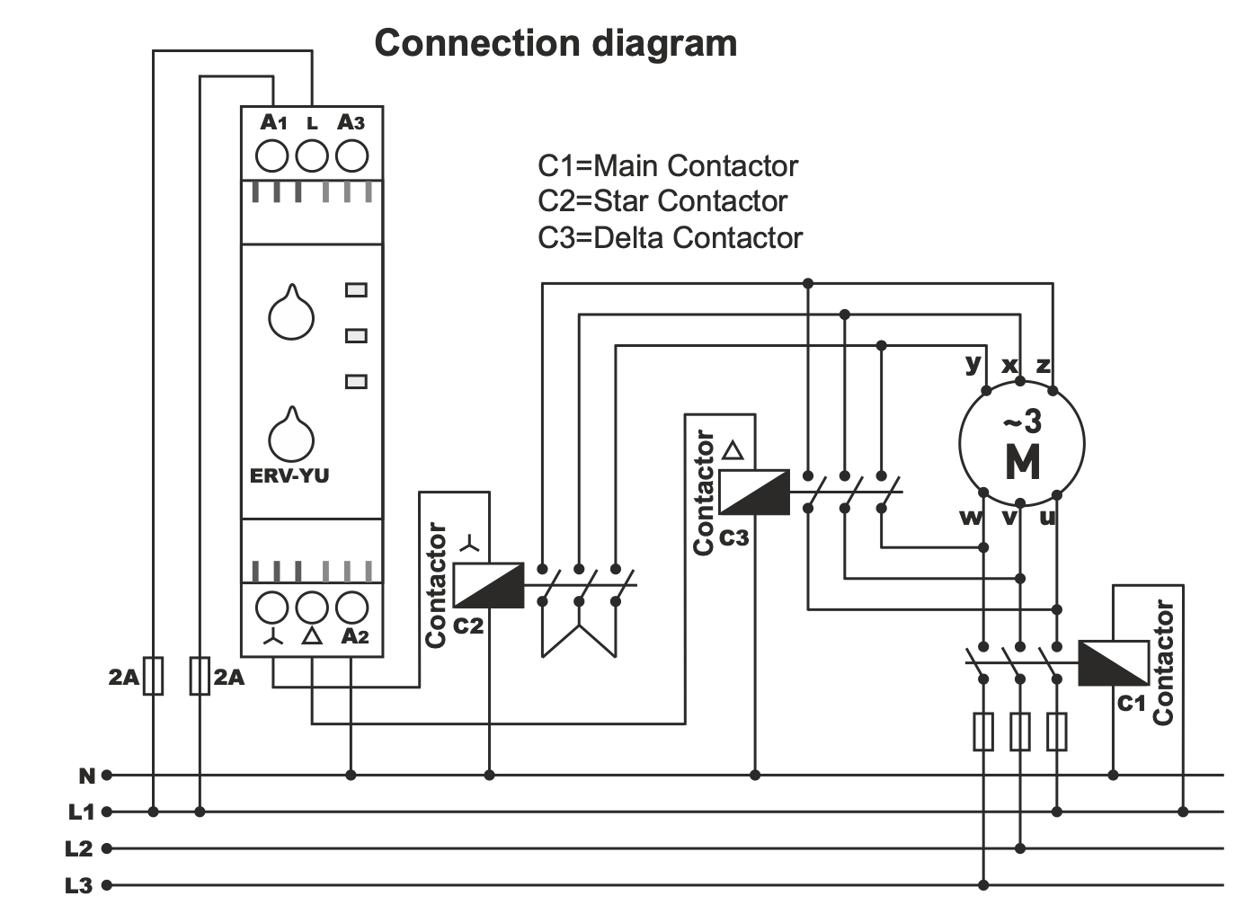
Relè per modalità di innesco stella-triangolo (ERV-YU)
Il relè di avviamento ERV-YU è progettato per il controllo automatico dell'avviamento dei motori elettrici in modalità STAR-TRINAGON alla tensione di esercizio di 24/220 V CA. Il relè assicura un avviamento dolce del motore, riduce la corrente di avviamento e prolunga la vita dell'intero sistema di azionamento. È dotato di indicazione luminosa delle modalità ON, STAR, TRIANGOLO e consente di impostare il tempo di avviamento.
Descrizione e principio di funzionamento
Per un avvio regolare del motore elettrico, viene attivata per prima la modalità STAR, che riduce il picco di corrente iniziale. Quando si raggiunge la velocità richiesta, l'avvolgimento passa automaticamente alla modalità TRIANGOLO, in cui il motore continua a funzionare normalmente.
La commutazione automatica della modalità tramite relè e contattori aumenta la stabilità dell'intero sistema ed elimina i rischi associati al funzionamento manuale.
Quando viene applicata la tensione ai morsetti A1-A2 del relè:
-
Il contatto STAR si attiva, l'indicatore STAR si accende e inizia il conteggio dell'intervallo di avvio t1 (0,1-30 s).
-
Trascorso il tempo t1, il contatto STAR viene scollegato, la spia si spegne e inizia una breve pausa t2 (15 ms).
-
Successivamente, i contatti FASE-TRIANGOLO vengono attivati, la spia TRIANGOLO si accende e il relè rimane in questa modalità per tutto il tempo in cui la tensione è applicata ai morsetti A1-A2.
Utilizzo
Il relè ERV-YU è adatto per:
-
controllo automatico della commutazione del motore in modalità stella-triangolo
-
applicazioni industriali con elevate esigenze di avviamento stabile e sicuro del motore
-
sistemi in cui è necessario ridurre la corrente di avviamento e proteggere la rete elettrica.
Gamma complementare
Per il relè è possibile acquistare
-
contattori e avviatori
-
contattori con interblocco meccanico
-
moduli di interblocco meccanico stand-alone
-
custodie metalliche con protezione IP65
Tutto questo è disponibile direttamente a magazzino a prezzi competitivi.
Pagamento con carta online: dopo aver completato l'ordine, verrai reindirizzato al gateway di pagamento, la conferma del pagamento verrà inviata alla tua email
COD: paghi il pagamento in base all'ordine di pagamento all'autista della compagnia di trasporti
Tramite bonifico bancario- riceverai al tuo indirizzo email entro e non oltre il giorno lavorativo successivo una fattura anticipata, sulla quale troverai il numero di conto che inserirai in fase di pagamento.
Su fattura: questa opzione di pagamento è disponibile per i partner che hanno firmato un accordo quadro con la nostra azienda.
Se desideri utilizzare gli ultimi 2 metodi, chiama il nostro responsabile e ti darà istruzioni su come ricevere una fattura con o senza IVA.
I dispositivi elettrici che forniamo soddisfano elevati standard di qualità, hanno una garanzia di 24 mesi e soddisfano tutti i requisiti UE.
Inoltre, offriamo la spedizione gratuita per ordini superiori a 100 €. Abbiamo un sistema flessibile di sconti e promozioni. Le conoscenze tecniche e l'esperienza dei nostri dipendenti ci consentono di fornire consulenza di alta qualità e, se necessario, offrire alternative ai prodotti elettrici.
L’attrezzatura elettrica che forniamo soddisfa elevati standard di qualità, è coperta da una garanzia di 24 mesi e rispetta tutti i requisiti dell’UE.
In caso di reclamo, la restituzione della merce non viene addebitata.
