
Ricevi un'email quando questo prodotto torna disponibile
Prodotto in pre‑ordine
- Descrizione
- Istruzioni
- Metodi di pagamento
- Garanzia
DJ-A96T - Amperometro digitale trifase da pannello
L'amperometro digitale trifase DJ-A96T è progettato per un monitoraggio accurato della corrente nei sistemi trifase. Può visualizzare il carico istantaneo su ciascuna fase L1, L2, L3 utilizzando trasformatori di corrente (CT) esterni. Il dispositivo offre un display chiaro, una configurazione semplice e un funzionamento affidabile.
Caratteristiche principali
-
Misura della corrente nei sistemi trifase
-
Lettura separata per le fasi L1, L2, L3
-
Misura con trasformatori di corrente esterni
-
Facile regolazione del rapporto CT
-
Display grande e leggibile - 3×4 cifre, altezza 14 mm
-
Design compatto del pannello
Parametri tecnici dell'amperometro
-
Tensione di alimentazione: 230 V CA
-
Consumo del dispositivo: < 4 VA
-
Campo di misura della corrente: 0,1...5,5 A
-
Gamma di TA supportata: da 5/5 A a 5000/5 A
-
Precisione di misurazione: ±2%
-
Display: LED, 3×4 cifre, altezza 14 mm
-
Dimensioni: 97,2 × 97,2 mm
-
Dimensioni del foro: 91 × 91 mm
-
Profondità: 45 mm
-
La confezione non include i trasformatori di corrente (possono essere acquistati separatamente)
Principio di funzionamento e impostazioni
-
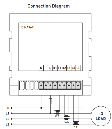
Collegare il dispositivo secondo lo schema elettrico.
-
Collegare i trasformatori di corrente in base alla corrente prevista nel sistema (conversione xxxx/5 A).
-
Collegare i cavi del TA ai morsetti "kx" e "lx". L'uscita del TA non deve superare i 5 A.
-
Dopo aver acceso l'alimentazione, tenere premuto il tasto "Menu" per 2 secondi.
-
Utilizzare i pulsanti Su/Giù per regolare la conversione dei TA utilizzati.
-
Salvare le impostazioni premendo a lungo il pulsante "Menu".
-
Quando il carico è collegato, l'amperometro inizia a misurare e visualizzare la corrente.
Nota: per motivi di sicurezza, i trasformatori di corrente devono essere sempre collegati a terra.
Caratteristiche tecniche del relè di uscita a stato solido
(Questa volta, i parametri elencati corrispondono all'SSR - se deve essere separato, posso dividerlo).
-
Tipo di relè: a stato solido
-
Tensione di controllo (ingresso): 3...32 V CC
-
Tensione di commutazione: 24...480 V CA (non adatta ai motori)
-
Caduta di tensione di commutazione: < 3 V
-
Corrente di attivazione: 5 mA
-
Tensione della bobina: 3...32 V CC
-
Corrente di commutazione massima: 25 A
-
Resistenza all'isolamento: 2500 V CA
-
Metodo di commutazione: accensione quando la corrente passa lo zero-cross
Pagamento con carta online: dopo aver completato l'ordine, verrai reindirizzato al gateway di pagamento, la conferma del pagamento verrà inviata alla tua email
COD: paghi il pagamento in base all'ordine di pagamento all'autista della compagnia di trasporti
Tramite bonifico bancario- riceverai al tuo indirizzo email entro e non oltre il giorno lavorativo successivo una fattura anticipata, sulla quale troverai il numero di conto che inserirai in fase di pagamento.
Su fattura: questa opzione di pagamento è disponibile per i partner che hanno firmato un accordo quadro con la nostra azienda.
Se desideri utilizzare gli ultimi 2 metodi, chiama il nostro responsabile e ti darà istruzioni su come ricevere una fattura con o senza IVA.
I dispositivi elettrici che forniamo soddisfano elevati standard di qualità, hanno una garanzia di 24 mesi e soddisfano tutti i requisiti UE.
Inoltre, offriamo la spedizione gratuita per ordini superiori a 100 €. Abbiamo un sistema flessibile di sconti e promozioni. Le conoscenze tecniche e l'esperienza dei nostri dipendenti ci consentono di fornire consulenza di alta qualità e, se necessario, offrire alternative ai prodotti elettrici.
L’attrezzatura elettrica che forniamo soddisfa elevati standard di qualità, è coperta da una garanzia di 24 mesi e rispetta tutti i requisiti dell’UE.
In caso di reclamo, la restituzione della merce non viene addebitata.
