
Ricevi un'email quando questo prodotto torna disponibile
- Descrizione
- Metodi di pagamento
- Garanzia
|
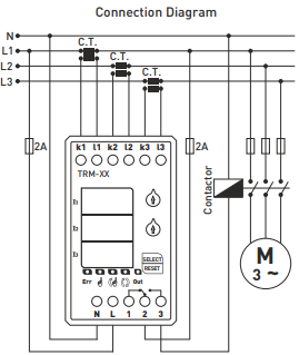
Relè di corrente trifase per il controllo/limitazione della corrente di carico nell'intervallo 190-300 A, produttore TENSE (Turchia) I relè di sovracorrente digitali TRM-300 sono progettati per proteggere i carichi dai danni causati da correnti elevate, consentendo al contempo il monitoraggio del funzionamento. - 190-300 A (valore di sovracorrente regolabile) Uso del dispositivo e principio di funzionamento
All'accensione del dispositivo: Il relè elettronico di corrente della serie TRM-300 è progettato per scollegare automaticamente gli apparecchi quando viene superata la corrente massima consentita. Modalità di ripristino: - Modalità manuale: Dopo un guasto da sovracorrente, il dispositivo deve essere resettato premendo il pulsante di reset. In questa modalità, il LED corrispondente è acceso. Nota: per cambiare modalità, tenere premuto il pulsante SELEZIONE per 10 secondi. Quando si cambia modalità, si accende il LED corrispondente. Asimmetria 50% (fissa) Se la differenza tra la corrente di fase maggiore e minore supera il 50%, il dispositivo entra in modalità di errore di asimmetria entro 2 secondi. Durante un errore di asimmetria: Parametri tecnici: - Tensione di funzionamento: 150-260 VCA.
Nota: i modelli TRM-50, TRM-100, TRM-200 e TRM-300 possono essere utilizzati solo con i trasformatori di corrente forniti con il dispositivo. Il modello TRM-400 può essere utilizzato con un trasformatore di corrente 400/5.
Base
|
Pagamento con carta online: dopo aver completato l'ordine, verrai reindirizzato al gateway di pagamento, la conferma del pagamento verrà inviata alla tua email
COD: paghi il pagamento in base all'ordine di pagamento all'autista della compagnia di trasporti
Tramite bonifico bancario- riceverai al tuo indirizzo email entro e non oltre il giorno lavorativo successivo una fattura anticipata, sulla quale troverai il numero di conto che inserirai in fase di pagamento.
Su fattura: questa opzione di pagamento è disponibile per i partner che hanno firmato un accordo quadro con la nostra azienda.
Se desideri utilizzare gli ultimi 2 metodi, chiama il nostro responsabile e ti darà istruzioni su come ricevere una fattura con o senza IVA.
I dispositivi elettrici che forniamo soddisfano elevati standard di qualità, hanno una garanzia di 24 mesi e soddisfano tutti i requisiti UE.
Inoltre, offriamo la spedizione gratuita per ordini superiori a 100 €. Abbiamo un sistema flessibile di sconti e promozioni. Le conoscenze tecniche e l'esperienza dei nostri dipendenti ci consentono di fornire consulenza di alta qualità e, se necessario, offrire alternative ai prodotti elettrici.
L’attrezzatura elettrica che forniamo soddisfa elevati standard di qualità, è coperta da una garanzia di 24 mesi e rispetta tutti i requisiti dell’UE.
In caso di reclamo, la restituzione della merce non viene addebitata.
