
Ricevi un'email quando questo prodotto torna disponibile
- Descrizione
- Metodi di pagamento
- Garanzia
|
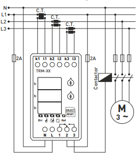
Relè di monitoraggio/limitazione del carico, trifase, gamma 15-50 A, produttore TENSE (Turchia) Il relè di sovraccarico digitale TRM-50 è progettato per proteggere i carichi da danni causati da correnti elevate, consentendo al contempo il controllo del funzionamento.
Uso del dispositivo e principio di funzionamento
Quando il dispositivo è acceso:
Il relè elettronico di corrente della serie TRM-50 è progettato per scollegare automaticamente le utenze quando vengono superate le correnti massime consentite. Dispone di un intervallo di intervento programmabile, di un tempo di intervento e di impostazioni di inversione dell'intervento. Esistono 3 modalità di ritorno allo stato "operativo": MANUALE, SEMI-AUTO, AUTO. Modalità di ripristino
Nota: per cambiare la modalità, tenere premuto il tasto SELECT per 10 secondi. Quando si cambia modalità, il LED corrispondente si accende. Asimmetria di corrente 50% (fissa) Se la differenza tra la corrente più alta e quella più bassa delle fasi supera il 50%, il dispositivo entra in modalità di errore di asimmetria entro 2 secondi (evita danni al sistema in caso di perdita di una fase). Quando si verifica un errore di asimmetria:
Parametri tecnici
Nota: TRM-50, TRM-100, TRM-200 e TRM-300 possono essere utilizzati solo con i trasformatori di corrente in dotazione.
Base
|
Pagamento con carta online: dopo aver completato l'ordine, verrai reindirizzato al gateway di pagamento, la conferma del pagamento verrà inviata alla tua email
COD: paghi il pagamento in base all'ordine di pagamento all'autista della compagnia di trasporti
Tramite bonifico bancario- riceverai al tuo indirizzo email entro e non oltre il giorno lavorativo successivo una fattura anticipata, sulla quale troverai il numero di conto che inserirai in fase di pagamento.
Su fattura: questa opzione di pagamento è disponibile per i partner che hanno firmato un accordo quadro con la nostra azienda.
Se desideri utilizzare gli ultimi 2 metodi, chiama il nostro responsabile e ti darà istruzioni su come ricevere una fattura con o senza IVA.
I dispositivi elettrici che forniamo soddisfano elevati standard di qualità, hanno una garanzia di 24 mesi e soddisfano tutti i requisiti UE.
Inoltre, offriamo la spedizione gratuita per ordini superiori a 100 €. Abbiamo un sistema flessibile di sconti e promozioni. Le conoscenze tecniche e l'esperienza dei nostri dipendenti ci consentono di fornire consulenza di alta qualità e, se necessario, offrire alternative ai prodotti elettrici.
L’attrezzatura elettrica che forniamo soddisfa elevati standard di qualità, è coperta da una garanzia di 24 mesi e rispetta tutti i requisiti dell’UE.
In caso di reclamo, la restituzione della merce non viene addebitata.
