
Ricevi un'email quando questo prodotto torna disponibile
- Descrizione
- Metodi di pagamento
- Garanzia
|
Relè di monitoraggio sovracorrente TRM-30F con display, trifase fino a 25A È progettato per proteggere le apparecchiature sensibili ai valori di corrente e tensione di esercizio da errori che possono verificarsi a causa di:
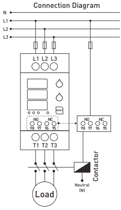
Il relè digitale di sovracorrente TRM-30F con display consente di visualizzare la corrente in ciascuna fase e di proteggere il motore o l'apparecchio da sovracorrente, sovratensione, sottocorrente, mancanza di fase e inversione di fase. Questi relè di sovraccarico digitali sono progettati per prevenire danni al motore/carico dovuti a correnti elevate, consentendo al contempo di monitorare sul display la corrente che scorre in ciascuna fase. Sono inoltre in grado di controllare i valori di tensione cumulativa tra le fasi. Con due relè di uscita (1x NO, 1x NC) è anche possibile controllare o scollegare il carico quando la sovracorrente raggiunge un valore impostato, oppure attivare un contatto di segnalazione al sistema di controllo. I relè digitali TRM-xx sono dotati di trasformatori di corrente integrati e di un display a 3x3 cifre per la visualizzazione della corrente. Applicazione e principio di funzionamento
Azionamenti
Stato del contatto
Indicazione LED
Funzione del pulsante "V/A/RESET
Protezione e principio di funzionamento 1. Protezione da sovracorrente (0,5-30 A):
2. Protezione contro l'asimmetria di corrente:
3. Protezione da sovratensione (U>440 V):
4. Protezione da sottotensione (U<265 V):
5. Protezione contro l'asimmetria di tensione:
6. Protezione della sequenza di fase:
Calcolo dell'asimmetria di corrente Lo strumento calcola l'asimmetria secondo la formula:
Esempio: ((25 - 15) / 25) × 100 = 40% di asimmetria di corrente. Specifiche tecniche
|
Pagamento con carta online: dopo aver completato l'ordine, verrai reindirizzato al gateway di pagamento, la conferma del pagamento verrà inviata alla tua email
COD: paghi il pagamento in base all'ordine di pagamento all'autista della compagnia di trasporti
Tramite bonifico bancario- riceverai al tuo indirizzo email entro e non oltre il giorno lavorativo successivo una fattura anticipata, sulla quale troverai il numero di conto che inserirai in fase di pagamento.
Su fattura: questa opzione di pagamento è disponibile per i partner che hanno firmato un accordo quadro con la nostra azienda.
Se desideri utilizzare gli ultimi 2 metodi, chiama il nostro responsabile e ti darà istruzioni su come ricevere una fattura con o senza IVA.
I dispositivi elettrici che forniamo soddisfano elevati standard di qualità, hanno una garanzia di 24 mesi e soddisfano tutti i requisiti UE.
Inoltre, offriamo la spedizione gratuita per ordini superiori a 100 €. Abbiamo un sistema flessibile di sconti e promozioni. Le conoscenze tecniche e l'esperienza dei nostri dipendenti ci consentono di fornire consulenza di alta qualità e, se necessario, offrire alternative ai prodotti elettrici.
L’attrezzatura elettrica che forniamo soddisfa elevati standard di qualità, è coperta da una garanzia di 24 mesi e rispetta tutti i requisiti dell’UE.
In caso di reclamo, la restituzione della merce non viene addebitata.
