
Ricevi un'email quando questo prodotto torna disponibile
- Descrizione
- Istruzioni
- Metodi di pagamento
- Garanzia
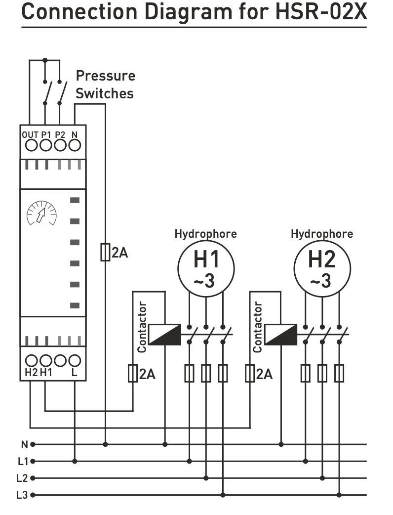
Relè sequenziale Hydrophore con timer per 2 pompe
Descrizione del prodotto
Il relè sequenziale idroforo è progettato per controllare il funzionamento di due pompe in base alla pressione dell'impianto.
Garantisce:
-
Rotazione uniforme delle pompe per prolungare la vita dell'apparecchiatura
-
Funzionamento sincronizzato delle pompe quando sono necessari booster multipli
-
Controllo automatico in base alla pressione corrente del sistema
Funzioni principali
-
Controllo di due pompe in un sistema idropulsore
-
Alternanza delle pompe per un'usura uniforme
-
Timer per impostare il ritardo tra gli avvii delle pompe
-
Possibilità di collegare booster aggiuntivi per impianti più grandi
-
Protezione delle pompe contro il sovraccarico e il funzionamento eccessivo
Parametri tecnici
(se disponete di valori esatti, possiamo aggiungerli, ad esempio alimentazione, potenza, campo di funzionamento, montaggio, ecc.)
-
Numero di pompe: 2
-
Tipo di montaggio: guida DIN / pannello
-
Funzioni: alternanza, timer, controllo della pressione
Applicazione
-
Sistemi idrici con idrofoni e serbatoi in pressione
-
Applicazioni domestiche e industriali
-
Garanzia di funzionamento uniforme e protezione delle pompe
-
Controllo del booster in sistemi multi-pompa
Pagamento con carta online: dopo aver completato l'ordine, verrai reindirizzato al gateway di pagamento, la conferma del pagamento verrà inviata alla tua email
COD: paghi il pagamento in base all'ordine di pagamento all'autista della compagnia di trasporti
Tramite bonifico bancario- riceverai al tuo indirizzo email entro e non oltre il giorno lavorativo successivo una fattura anticipata, sulla quale troverai il numero di conto che inserirai in fase di pagamento.
Su fattura: questa opzione di pagamento è disponibile per i partner che hanno firmato un accordo quadro con la nostra azienda.
Se desideri utilizzare gli ultimi 2 metodi, chiama il nostro responsabile e ti darà istruzioni su come ricevere una fattura con o senza IVA.
I dispositivi elettrici che forniamo soddisfano elevati standard di qualità, hanno una garanzia di 24 mesi e soddisfano tutti i requisiti UE.
Inoltre, offriamo la spedizione gratuita per ordini superiori a 100 €. Abbiamo un sistema flessibile di sconti e promozioni. Le conoscenze tecniche e l'esperienza dei nostri dipendenti ci consentono di fornire consulenza di alta qualità e, se necessario, offrire alternative ai prodotti elettrici.
L’attrezzatura elettrica che forniamo soddisfa elevati standard di qualità, è coperta da una garanzia di 24 mesi e rispetta tutti i requisiti dell’UE.
In caso di reclamo, la restituzione della merce non viene addebitata.
