
Ricevi un'email quando questo prodotto torna disponibile
- Descrizione
- Istruzioni
- Metodi di pagamento
- Garanzia
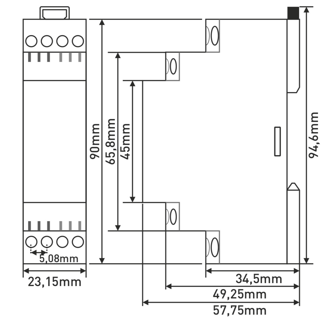
Relè di protezione di fase TENSE - asimmetria regolabile 5-50
Il relè di protezione di fase TENSE (Turchia) è progettato per proteggere i motori elettrici trifase e altre apparecchiature trifase da guasti nella rete di alimentazione. Il dispositivo controlla la corretta sequenza delle fasi, l'asimmetria delle fasi, la sottotensione e la sovratensione e garantisce la disconnessione sicura del carico quando vengono superati i limiti impostati.
L'ampia gamma di impostazioni rende il relè adatto alla maggior parte delle applicazioni industriali e commerciali, soprattutto quando è richiesta una protezione del motore precisa e stabile.
Caratteristiche principali
-
Controllo della sequenza di fase - protezione contro il cablaggio errato.
-
Asimmetria regolabile: 5% - 50%.
-
Sottotensione regolabile: 260-360 V CA.
-
Sovratensione regolabile: 400-480 V CA.
-
Tempo di ritardo dell'errore regolabile (Err In): 1-30 s.
-
Tempo di recupero regolabile (Err OUT): 1-30 s.
-
Indicazione chiara sul display a 3×3 segmenti.
-
Alta precisione e risposta rapida ai guasti della rete.
-
Montaggio su guida DIN standard.
Principi di funzionamento
Funzionamento normale
Quando tutte le tensioni di fase rientrano nei limiti e la sequenza delle fasi è corretta:
-
il relè scatta,
-
il LED OUT si accende.
Errore di alta tensione (H)
-
Se la fase supera il limite impostato → il tempo di Err In è in attesa, viene visualizzato H.
-
Il relè si disattiva, OUT si spegne.
-
Quando 5 V scende sotto il valore impostato, Err OUT inizia a funzionare, il relè si riaccende.
Errore di bassa tensione (L)
-
Caduta al di sotto del limite impostato → Err In in attesa, viene visualizzato L.
-
Il relè si spegne.
-
Quando la tensione sale di 5 V sopra la soglia → Err OUT in attesa, il relè si attiva.
Asimmetria di fase (Asy)
-
Se la differenza di tensione tra le fasi supera la soglia impostata (5-50%):
-
ASy viene visualizzato dopo il tempo di Err In, il relè si disattiva.
-
-
Quando l'asimmetria si riduce sotto (soglia impostata - 2%) → tempo di attesa Err OUT, il relè si attiva.
Errore di sequenza di fase (pHs)
-
Quando si verifica un errore di sequenza di fase, il relè attende Err In, quindi visualizza pHs.
-
Il relè si spegne e rimane spento fino al ripristino della sequenza corretta.
-
Dopo la correzione della sequenza di fase, si verifica Err OUT e il relè si accende.
Parametri tecnici
| Parametro | Valore |
|---|---|
| Tensione di esercizio (Un) | 3×380 V CA + N |
| Frequenza | 50/60 Hz |
| Potenza assorbita | < 6 VA |
| Temperatura ambiente | Da -20 °C a +55 °C |
| Soglia di alta tensione | 400-480 V AC |
| Soglia di bassa tensione | 260-360 V AC |
| Asimmetria | 5-50% (regolabile) |
| Tempo di errore (Err In) | 1-30 s |
| Tempo di reset (Err OUT) | 1-30 s |
| Contatto relè | 5 A / 250 V CA (carico resistivo) |
| Display | 3×3 segmenti, 1 LED |
| Montaggio | Guida DIN |
| Peso | < 150 g |
| Altezza massima di installazione | < 2000 m |
| Sezione del cavo | fino a 2,5 mm² |
Pagamento con carta online: dopo aver completato l'ordine, verrai reindirizzato al gateway di pagamento, la conferma del pagamento verrà inviata alla tua email
COD: paghi il pagamento in base all'ordine di pagamento all'autista della compagnia di trasporti
Tramite bonifico bancario- riceverai al tuo indirizzo email entro e non oltre il giorno lavorativo successivo una fattura anticipata, sulla quale troverai il numero di conto che inserirai in fase di pagamento.
Su fattura: questa opzione di pagamento è disponibile per i partner che hanno firmato un accordo quadro con la nostra azienda.
Se desideri utilizzare gli ultimi 2 metodi, chiama il nostro responsabile e ti darà istruzioni su come ricevere una fattura con o senza IVA.
I dispositivi elettrici che forniamo soddisfano elevati standard di qualità, hanno una garanzia di 24 mesi e soddisfano tutti i requisiti UE.
Inoltre, offriamo la spedizione gratuita per ordini superiori a 100 €. Abbiamo un sistema flessibile di sconti e promozioni. Le conoscenze tecniche e l'esperienza dei nostri dipendenti ci consentono di fornire consulenza di alta qualità e, se necessario, offrire alternative ai prodotti elettrici.
L’attrezzatura elettrica che forniamo soddisfa elevati standard di qualità, è coperta da una garanzia di 24 mesi e rispetta tutti i requisiti dell’UE.
In caso di reclamo, la restituzione della merce non viene addebitata.
