Ricevi un'email quando questo prodotto torna disponibile
Prodotto in pre‑ordine
- Descrizione
- Istruzioni
- Metodi di pagamento
- Garanzia
GKM-11 - Relè monofase di sovratensione e sottotensione, TENSE
Descrizione del prodotto
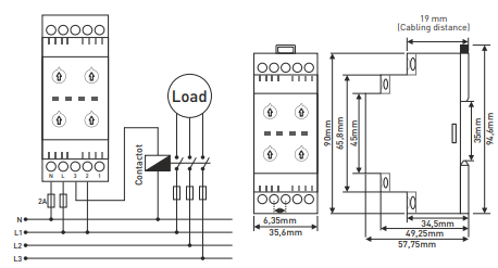
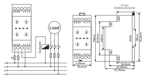
Il relè GKM-11 è utilizzato per proteggere le apparecchiature sensibili da sovratensioni e sottotensioni nei sistemi di distribuzione monofase. Quando il limite superiore o inferiore di tensione impostato viene superato, il relè apre il contatto di uscita e scollega il carico, evitando danni alle apparecchiature.
Funzione e funzionamento
-
Indicazione di stato:
-
Stato normale - LED verde
-
Errore di alta tensione - LED rosso "HV
-
Errore di bassa tensione - LED rosso "LV"
-
-
Protezione regolabile: limiti di tensione superiore e inferiore, ritardo di commutazione (DT) e tempo di ripristino (RT)
-
Contatto relè: 5 A / 250 V CA (carico resistivo)
Dati tecnici
-
Tensione di esercizio: 220 V CA, 50/60 Hz
-
Campo di alta tensione: 230-300 V
-
Campo di bassa tensione: 150-210 V
-
Tempo di ritardo e reset: 0,5-20 s
-
Consumo di energia: <6 VA
-
Temperatura di funzionamento: da -20 °C a +55 °C
-
Montaggio: guida DIN
-
Peso: 0,1 kg
-
Sezione massima del cavo: 2,5 mm²
-
Altitudine massima di installazione: 2000 m
Applicazione
-
Distribuzione e quadri elettrici monofase
-
Apparecchiature elettriche sensibili, elettrodomestici, macchinari industriali
Pagamento con carta online: dopo aver completato l'ordine, verrai reindirizzato al gateway di pagamento, la conferma del pagamento verrà inviata alla tua email
COD: paghi il pagamento in base all'ordine di pagamento all'autista della compagnia di trasporti
Tramite bonifico bancario- riceverai al tuo indirizzo email entro e non oltre il giorno lavorativo successivo una fattura anticipata, sulla quale troverai il numero di conto che inserirai in fase di pagamento.
Su fattura: questa opzione di pagamento è disponibile per i partner che hanno firmato un accordo quadro con la nostra azienda.
Se desideri utilizzare gli ultimi 2 metodi, chiama il nostro responsabile e ti darà istruzioni su come ricevere una fattura con o senza IVA.
I dispositivi elettrici che forniamo soddisfano elevati standard di qualità, hanno una garanzia di 24 mesi e soddisfano tutti i requisiti UE.
Inoltre, offriamo la spedizione gratuita per ordini superiori a 100 €. Abbiamo un sistema flessibile di sconti e promozioni. Le conoscenze tecniche e l'esperienza dei nostri dipendenti ci consentono di fornire consulenza di alta qualità e, se necessario, offrire alternative ai prodotti elettrici.
L’attrezzatura elettrica che forniamo soddisfa elevati standard di qualità, è coperta da una garanzia di 24 mesi e rispetta tutti i requisiti dell’UE.
In caso di reclamo, la restituzione della merce non viene addebitata.
