
Ricevi un'email quando questo prodotto torna disponibile
- Descrizione
- Istruzioni
- Metodi di pagamento
- Garanzia
Analizzatore di rete trifase / Analizzatore di rete / Analizzatore di rete - misuratore digitale multifunzione da pannello, indicatore di corrente, tensione, frequenza e potenza totale, con uscita a relè, RS485 ModBus RTU - TPM-04SHDL produttore TENSE (Turchia) misuratori da pannello.
Gli analizzatori di potenza sono progettati per misurare e monitorare i valori elettrici. Grazie alla funzione di comunicazione, i valori energetici misurati possono essere monitorati e riportati in modo indipendente. Gli analizzatori di potenza consentono di eseguire analisi quali la qualità dell'energia, l'efficienza e il calcolo del costo unitario.
Vantaggi principali:
- RS485 Modbus RTU (1200-19200b/s)
- Trasformatore di tensione trifase e trasformatore di corrente trifase.
-
Visualizza le componenti armoniche di tensione e corrente fino alla 31a armonica.
-
Visualizza la potenza attiva per fase (P)
-
Visualizza la potenza reattiva per fase (Q, induttiva e capacitiva)
-
Visualizzazione della potenza apparente per fase (S)
-
Visualizzazione dei valori di Cosφ e del fattore di potenza di ciascuna fase.
-
Visualizza i valori di tensione (V) e corrente (I) tra le fasi e il neutro e misura la frequenza.
-
Visualizza i valori totali di importazione ed esportazione di energia attiva (ΣkWh).
-
Visualizza i valori totali di energia reattiva induttiva e capacitiva (ΣkVArh).
-
Visualizzazione dei valori minimi e massimi, richiesta massima.
-
2 uscite a relè, 1 ingresso digitale
-
Registri eventi (alta/bassa tensione/corrente, asimmetria tensione/corrente, THD-I)
-
Il menu è protetto da password.
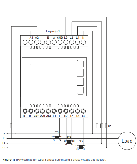
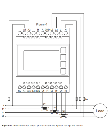
Di solito questo analizzatore di rete viene utilizzato con trasformatori di misura della corrente - 60/5 75/5 100/5 150/5 200/5 250/5 300/5 400/5 500/5 600/5 800/5 1000/5 1500/5 o simili. Se si intende collegare l'analizzatore al ModBus, su richiesta verrà inviata una "Tabella di registrazione" con gli indirizzi ModBus.
Pagamento con carta online: dopo aver completato l'ordine, verrai reindirizzato al gateway di pagamento, la conferma del pagamento verrà inviata alla tua email
COD: paghi il pagamento in base all'ordine di pagamento all'autista della compagnia di trasporti
Tramite bonifico bancario- riceverai al tuo indirizzo email entro e non oltre il giorno lavorativo successivo una fattura anticipata, sulla quale troverai il numero di conto che inserirai in fase di pagamento.
Su fattura: questa opzione di pagamento è disponibile per i partner che hanno firmato un accordo quadro con la nostra azienda.
Se desideri utilizzare gli ultimi 2 metodi, chiama il nostro responsabile e ti darà istruzioni su come ricevere una fattura con o senza IVA.
I dispositivi elettrici che forniamo soddisfano elevati standard di qualità, hanno una garanzia di 24 mesi e soddisfano tutti i requisiti UE.
Inoltre, offriamo la spedizione gratuita per ordini superiori a 100 €. Abbiamo un sistema flessibile di sconti e promozioni. Le conoscenze tecniche e l'esperienza dei nostri dipendenti ci consentono di fornire consulenza di alta qualità e, se necessario, offrire alternative ai prodotti elettrici.
L’attrezzatura elettrica che forniamo soddisfa elevati standard di qualità, è coperta da una garanzia di 24 mesi e rispetta tutti i requisiti dell’UE.
In caso di reclamo, la restituzione della merce non viene addebitata.
