Ricevi un'email quando questo prodotto torna disponibile
Prodotto in pre‑ordine
- Descrizione
- Istruzioni
- Metodi di pagamento
- Garanzia
TENSE MDK-02 regolatore monofase per pompe sommerse per pozzi, 140-280 V AC, 60 A
Descrizione del prodotto
Il controller TENSE MDK-02 è progettato per la protezione e il controllo delle pompe sommerse per pozzi e trivelle.
Fornisce protezione contro gli sbalzi di tensione e di corrente, la mancanza d'acqua e il sovraccarico della pompa.
Le funzioni integrate consentono inoltre il monitoraggio del livello del serbatoio, l'impostazione di ritardi temporali e il controllo della corrente di picco.
Caratteristiche principali
-
Alimentazione monofase, gamma: 140-280 VCA
-
Corrente massima: 60 A
-
Controllo a microprocessore con display a LED
-
Caratteristiche di protezione:
-
Sovratensione/sottotensione
-
Sovracorrente/sottocorrente
-
Controllo del livello dell'acqua del pozzo/serbatoio
-
-
Impostazioni dei parametri di funzionamento: P1-P10 (ad es. tensione massima/minima, corrente, ritardo di risposta, intervallo di avvio, tempo di auto-ripristino)
-
Modalità di funzionamento: AVVIO / ARRESTO
-
Timer di ritardo pompa incorporato per prolungare la durata della pompa
-
Indicazione dello stato della pompa tramite indicatori LED
Parametri tecnici
-
Tensione di funzionamento: 140-280 V CA
-
Frequenza: 50 Hz
-
Intervallo di corrente: 0,5-60 A
-
Consumo di energia: < 4 W
-
Sensibilità ai liquidi: < 50 kΩ
-
Classe di protezione: IP40
-
Temperatura di funzionamento: da -5 °C a +55 °C
-
Sezione massima del cavo: 1,5 mm²
-
Apertura di installazione: 91 × 91 mm
-
Altitudine di installazione: < 2000 m
-
Peso: 325 g
Applicazione
-
Protezione delle pompe sommergibili contro il funzionamento a secco e il sovraccarico
-
Controllo del livello dell'acqua in serbatoi e pozzi
-
Monitoraggio e funzionamento sicuro di pompe domestiche e industriali
Avvertenze importanti
-
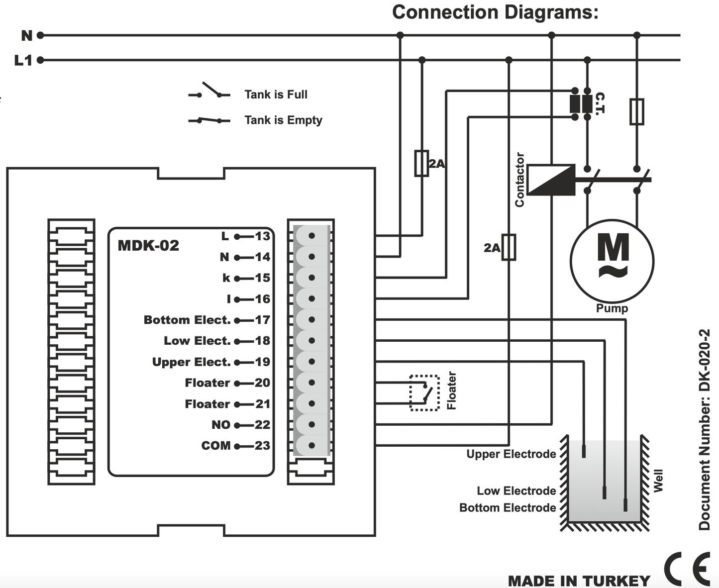
Gli elettrodi/sensori di livello dell'acqua non sono inclusi e devono essere ordinati separatamente.
-
Il controller deve essere collegato secondo lo schema elettrico del produttore.
-
Il fluido non deve essere infiammabile o esplosivo
-
La temperatura di installazione deve essere > 0 °C
-
La pompa deve essere collegata a terra
-
L'utilizzo di due sensori di livello richiede il corretto collegamento del sensore superiore e di quello centrale.
Pagamento con carta online: dopo aver completato l'ordine, verrai reindirizzato al gateway di pagamento, la conferma del pagamento verrà inviata alla tua email
COD: paghi il pagamento in base all'ordine di pagamento all'autista della compagnia di trasporti
Tramite bonifico bancario- riceverai al tuo indirizzo email entro e non oltre il giorno lavorativo successivo una fattura anticipata, sulla quale troverai il numero di conto che inserirai in fase di pagamento.
Su fattura: questa opzione di pagamento è disponibile per i partner che hanno firmato un accordo quadro con la nostra azienda.
Se desideri utilizzare gli ultimi 2 metodi, chiama il nostro responsabile e ti darà istruzioni su come ricevere una fattura con o senza IVA.
I dispositivi elettrici che forniamo soddisfano elevati standard di qualità, hanno una garanzia di 24 mesi e soddisfano tutti i requisiti UE.
Inoltre, offriamo la spedizione gratuita per ordini superiori a 100 €. Abbiamo un sistema flessibile di sconti e promozioni. Le conoscenze tecniche e l'esperienza dei nostri dipendenti ci consentono di fornire consulenza di alta qualità e, se necessario, offrire alternative ai prodotti elettrici.
L’attrezzatura elettrica che forniamo soddisfa elevati standard di qualità, è coperta da una garanzia di 24 mesi e rispetta tutti i requisiti dell’UE.
In caso di reclamo, la restituzione della merce non viene addebitata.
