
Ricevi un'email quando questo prodotto torna disponibile
- Descrizione
- Istruzioni
- Metodi di pagamento
- Garanzia
Controllore di fattore di potenza a 12 passi + TCR con display LCD grafico da 2,9" e RS-485 (TENSE)
Il regolatore di potenza reattiva RGT-12SVC (TENSE) è un dispositivo completamente automatico per la commutazione ottimale degli stadi di compensazione.
L'elaborazione digitale dei valori misurati dal regolatore garantisce un'elevata precisione nella valutazione della tensione, della corrente e del fattore di potenza effettivi.
L'installazione del dispositivo è completamente automatica: il regolatore stesso determina le dimensioni dei singoli stadi di compensazione collegati. Questi parametri possono essere inseriti anche manualmente.
Il controllore attiva e disattiva gli stadi di compensazione in modo da regolare la potenza reattiva con un numero minimo di operazioni di commutazione. Allo stesso tempo, il controllore tiene conto del carico uniforme dei singoli stadi e commuta preferibilmente gli stadi che sono stati diseccitati per il periodo più lungo e per i quali la carica residua è minima. Durante il processo di regolazione, gli stadi di compensazione sono continuamente monitorati in parallelo: vengono rilevati guasti e variazioni dei valori, gli stadi temporaneamente rimossi vengono periodicamente testati e, se necessario, reinseriti nel processo di regolazione.
Ingresso e compensazione del generatore
Possibilità di impostare i tempi di intervento, di scarica e di assestamento
Comunicazione remota con RS485 (RS485 ModBus RTU)
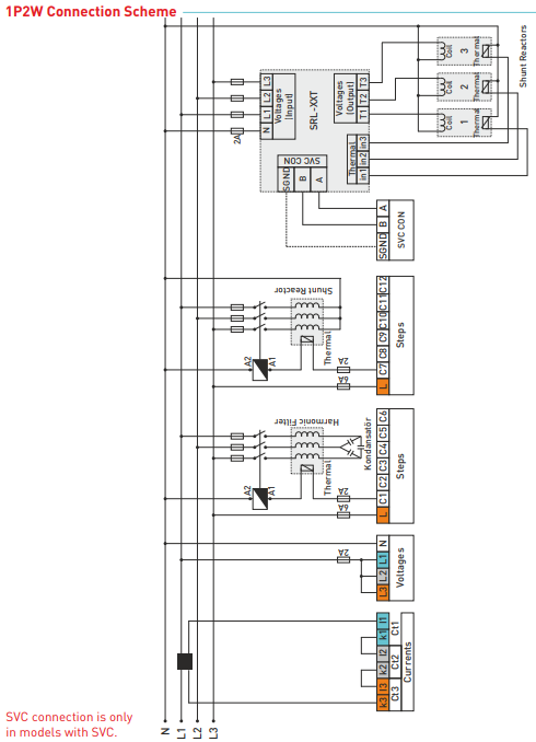
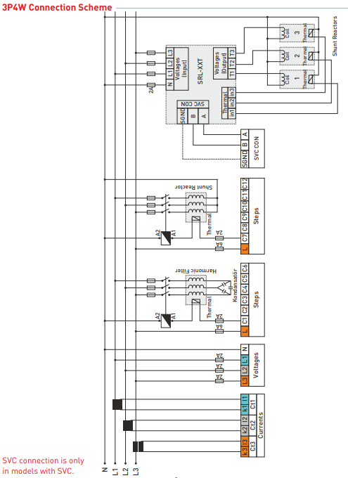
Possibilità di collegare condensatori e reattori shunt monofase, bifase e trifase
Possibilità di osservare le armoniche di tensione e corrente fino alla 31a armonica
Possibilità di monitorare l'energia totale (importazione/esportazione)
Si possono osservare i valori THD-V e THD-I di ogni fase
Creazione di analisi di potenza (20 campioni 9999 min.) - per la selezione dei condensatori
Pagamento con carta online: dopo aver completato l'ordine, verrai reindirizzato al gateway di pagamento, la conferma del pagamento verrà inviata alla tua email
COD: paghi il pagamento in base all'ordine di pagamento all'autista della compagnia di trasporti
Tramite bonifico bancario- riceverai al tuo indirizzo email entro e non oltre il giorno lavorativo successivo una fattura anticipata, sulla quale troverai il numero di conto che inserirai in fase di pagamento.
Su fattura: questa opzione di pagamento è disponibile per i partner che hanno firmato un accordo quadro con la nostra azienda.
Se desideri utilizzare gli ultimi 2 metodi, chiama il nostro responsabile e ti darà istruzioni su come ricevere una fattura con o senza IVA.
I dispositivi elettrici che forniamo soddisfano elevati standard di qualità, hanno una garanzia di 24 mesi e soddisfano tutti i requisiti UE.
Inoltre, offriamo la spedizione gratuita per ordini superiori a 100 €. Abbiamo un sistema flessibile di sconti e promozioni. Le conoscenze tecniche e l'esperienza dei nostri dipendenti ci consentono di fornire consulenza di alta qualità e, se necessario, offrire alternative ai prodotti elettrici.
L’attrezzatura elettrica che forniamo soddisfa elevati standard di qualità, è coperta da una garanzia di 24 mesi e rispetta tutti i requisiti dell’UE.
In caso di reclamo, la restituzione della merce non viene addebitata.
