
Ricevi un'email quando questo prodotto torna disponibile
- Descrizione
- Istruzioni
- Metodi di pagamento
- Garanzia
18 passi + TCR Regolatore di fattore di potenza per reti simmetriche/asimmetriche con touch screen da 5 pollici e RS-485 (TENSE)
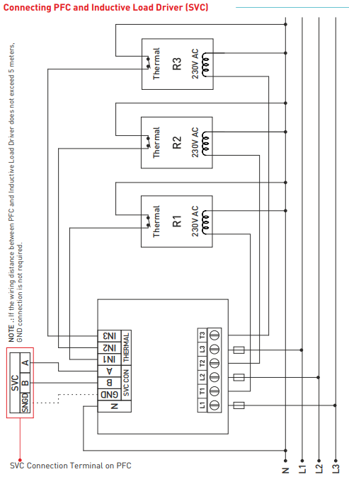
I relè di controllo della potenza reattiva sono progettati per ridurre la potenza reattiva (induttiva e capacitiva) non utilizzata dal carico e prelevata dalla rete. Quando la potenza induttiva viene prelevata dalla rete, il relè interviene rimuovendo un condensatore a un valore appropriato. Se la potenza capacitiva viene prelevata dalla rete, interviene prelevando un induttore shunt di valore appropriato. In questo modo, cerca di ridurre le velocità induttive/attive e capacitive/attive del sistema. È progettato per fornire una compensazione più ragionevole nei sistemi induttivi e capacitivi sbilanciati con il passo RGT-MT18 TCR.
Ingresso e compensazione del generatore
Uscita di tensione, corrente/tensione armonica, allarme induttivo e capacitivo
Possibilità di regolare i tempi di risposta, di scarica e di assestamento
Comunicazione remota con RS485 (RS485 ModBus RTU)
Possibilità di collegare condensatori monofase, bifase e trifase e reattori shunt
Possibilità di osservare le armoniche di tensione e corrente fino alla 61a armonica
Possibilità di monitorare l'energia totale (importazione/esportazione)
Si possono osservare i valori THD-V e THD-I di ogni fase
Creazione di analisi di potenza (20 campioni 9999 min.) - per la selezione dei condensatori
Uscita di allarme per la temperatura
Registrazione della domanda (domanda di potenza attiva, reattiva e apparente e di corrente)
Possibilità di monitorare i valori minimi, massimi e medi di corrente e tensione di ciascuna fase
Data e ora effettive
Pagamento con carta online: dopo aver completato l'ordine, verrai reindirizzato al gateway di pagamento, la conferma del pagamento verrà inviata alla tua email
COD: paghi il pagamento in base all'ordine di pagamento all'autista della compagnia di trasporti
Tramite bonifico bancario- riceverai al tuo indirizzo email entro e non oltre il giorno lavorativo successivo una fattura anticipata, sulla quale troverai il numero di conto che inserirai in fase di pagamento.
Su fattura: questa opzione di pagamento è disponibile per i partner che hanno firmato un accordo quadro con la nostra azienda.
Se desideri utilizzare gli ultimi 2 metodi, chiama il nostro responsabile e ti darà istruzioni su come ricevere una fattura con o senza IVA.
I dispositivi elettrici che forniamo soddisfano elevati standard di qualità, hanno una garanzia di 24 mesi e soddisfano tutti i requisiti UE.
Inoltre, offriamo la spedizione gratuita per ordini superiori a 100 €. Abbiamo un sistema flessibile di sconti e promozioni. Le conoscenze tecniche e l'esperienza dei nostri dipendenti ci consentono di fornire consulenza di alta qualità e, se necessario, offrire alternative ai prodotti elettrici.
L’attrezzatura elettrica che forniamo soddisfa elevati standard di qualità, è coperta da una garanzia di 24 mesi e rispetta tutti i requisiti dell’UE.
In caso di reclamo, la restituzione della merce non viene addebitata.
