
Ricevi un'email quando questo prodotto torna disponibile
- Descrizione
- Istruzioni
- Metodi di pagamento
- Garanzia
Termostato / regolatore di temperatura a 2 punti TENSE
Descrizione del prodotto:
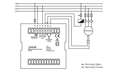
Il termoregolatore è progettato per il controllo ON/OFF o proporzionale dei processi di temperatura. È adatto per sistemi di riscaldamento, condizionamento, ventilazione, automazione degli edifici e impianti industriali.
Funzioni e caratteristiche:
-
Modalità di controllo ON/OFF (a due punti) o proporzionale.
-
Tipo di sensore: T/C (tipo J, Fe-Const)
-
Uscite a relè: OUT (NO + NC), 250VAC, 2A
-
Isteresi regolabile
-
Memoria EEPROM per memorizzare le impostazioni
-
Display chiaro con impostazione della temperatura desiderata
Campo di misura e precisione:
-
Campo di misura: 0 °C ... +400 °C
-
Risoluzione/passo: 1 °C
Accessori consigliati:
-
Sensori di temperatura Fe-Const tipo J (6/8 metri), intervallo -100 °C ... +600 °C
-
Disponibile con cavo: 1 m, 1,5 m, 2 m, 2,5 m, 3 m, 4 m o 5 m
Applicazioni:
-
Controllo della temperatura di riscaldamento, condizionamento e ventilazione
-
Linee e macchine industriali in cui è richiesto un controllo preciso della temperatura
-
Monitoraggio e protezione delle apparecchiature
Vantaggi:
-
Prodotto affidabile Turkish TENSE
-
Semplicità di connessione e configurazione
-
Memoria per mantenere le impostazioni anche dopo un'interruzione di corrente
Pagamento con carta online: dopo aver completato l'ordine, verrai reindirizzato al gateway di pagamento, la conferma del pagamento verrà inviata alla tua email
COD: paghi il pagamento in base all'ordine di pagamento all'autista della compagnia di trasporti
Tramite bonifico bancario- riceverai al tuo indirizzo email entro e non oltre il giorno lavorativo successivo una fattura anticipata, sulla quale troverai il numero di conto che inserirai in fase di pagamento.
Su fattura: questa opzione di pagamento è disponibile per i partner che hanno firmato un accordo quadro con la nostra azienda.
Se desideri utilizzare gli ultimi 2 metodi, chiama il nostro responsabile e ti darà istruzioni su come ricevere una fattura con o senza IVA.
I dispositivi elettrici che forniamo soddisfano elevati standard di qualità, hanno una garanzia di 24 mesi e soddisfano tutti i requisiti UE.
Inoltre, offriamo la spedizione gratuita per ordini superiori a 100 €. Abbiamo un sistema flessibile di sconti e promozioni. Le conoscenze tecniche e l'esperienza dei nostri dipendenti ci consentono di fornire consulenza di alta qualità e, se necessario, offrire alternative ai prodotti elettrici.
L’attrezzatura elettrica che forniamo soddisfa elevati standard di qualità, è coperta da una garanzia di 24 mesi e rispetta tutti i requisiti dell’UE.
In caso di reclamo, la restituzione della merce non viene addebitata.
