
Ricevi un'email quando questo prodotto torna disponibile
- Descrizione
- Istruzioni
- Metodi di pagamento
- Garanzia
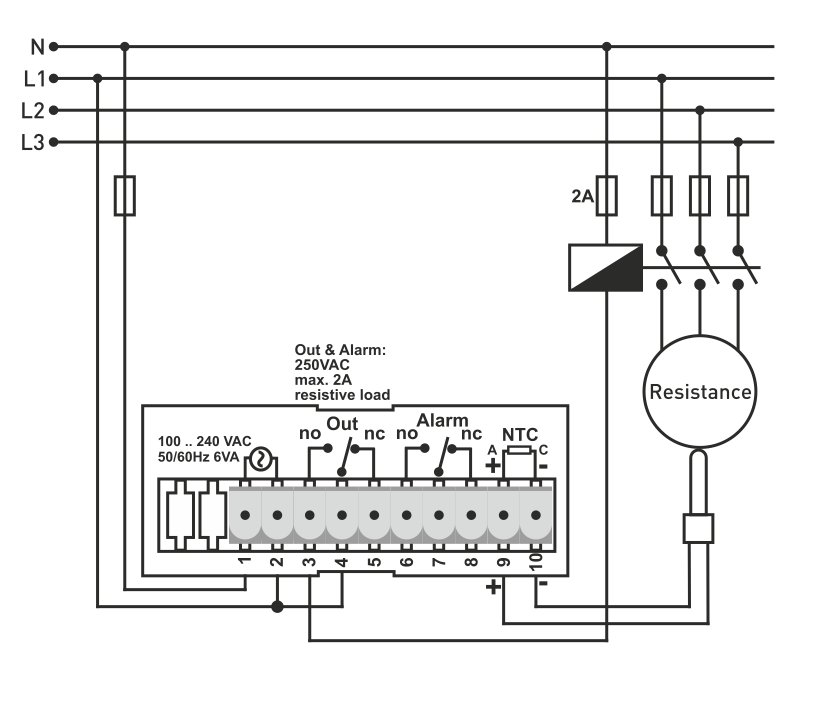
Termostato / Regolatore di temperatura a 2 punti DT-322 - TENSE (Turchia)
Descrizione:
Regolatore di temperatura a 2 punti per montaggio a pannello con modalità ON-OFF. Progettato per il controllo e il monitoraggio dei processi termici in impianti di riscaldamento, condizionamento, ventilazione, automazione degli edifici e applicazioni industriali.
Funzioni principali
-
Tipo di sensore: NTC
-
Uscite: Relè OUT e ALARM (NO+NC), 250 VAC, 2A
-
Funzione opzionale: riscaldamento/raffreddamento
-
Isteresi regolabile per SET e ALARM
-
Ritardo di accensione dell'uscita OUT per la modalità di raffreddamento
-
Timer ON/OFF regolabile per l'uscita OUT in caso di guasto del sensore
-
Limiti superiori e inferiori per le impostazioni di SET e ALLARME
-
Memoria EEPROM per la memorizzazione delle impostazioni
-
Protezione con password contro le modifiche non autorizzate dei parametri
-
Elevata precisione di misura
Parametri tecnici
-
Campo di misura: -19,9 °C ... +99,9 °C
-
Risoluzione/passo: 0,1 °C
-
Alimentazione e funzionamento: formato standard per montaggio a pannello
-
Uscite a relè: 250 VAC / 2 A
Applicazioni
-
Controllo della temperatura in apparecchiature industriali, condizionamento e riscaldamento
-
Monitoraggio del processo di temperatura
-
Protezione delle apparecchiature e automazione dei processi
Scaricare su
Pagamento con carta online: dopo aver completato l'ordine, verrai reindirizzato al gateway di pagamento, la conferma del pagamento verrà inviata alla tua email
COD: paghi il pagamento in base all'ordine di pagamento all'autista della compagnia di trasporti
Tramite bonifico bancario- riceverai al tuo indirizzo email entro e non oltre il giorno lavorativo successivo una fattura anticipata, sulla quale troverai il numero di conto che inserirai in fase di pagamento.
Su fattura: questa opzione di pagamento è disponibile per i partner che hanno firmato un accordo quadro con la nostra azienda.
Se desideri utilizzare gli ultimi 2 metodi, chiama il nostro responsabile e ti darà istruzioni su come ricevere una fattura con o senza IVA.
I dispositivi elettrici che forniamo soddisfano elevati standard di qualità, hanno una garanzia di 24 mesi e soddisfano tutti i requisiti UE.
Inoltre, offriamo la spedizione gratuita per ordini superiori a 100 €. Abbiamo un sistema flessibile di sconti e promozioni. Le conoscenze tecniche e l'esperienza dei nostri dipendenti ci consentono di fornire consulenza di alta qualità e, se necessario, offrire alternative ai prodotti elettrici.
L’attrezzatura elettrica che forniamo soddisfa elevati standard di qualità, è coperta da una garanzia di 24 mesi e rispetta tutti i requisiti dell’UE.
In caso di reclamo, la restituzione della merce non viene addebitata.
