
Ricevi un'email quando questo prodotto torna disponibile
- Descrizione
- Istruzioni
- Metodi di pagamento
- Garanzia
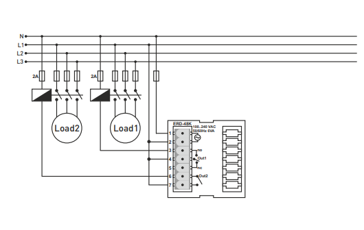
Relè ciclico a tempo + ON-DELAY con display a LED - TENSE ERD-48K (230 VAC)
Descrizione del prodotto
Il relè a tempo TENSE ERD-48K combina due funzioni in un unico dispositivo: ON-DELAY ritardato e controllo ciclico. È progettato per il montaggio a pannello o sulla porta dell'armadio ed è dotato di un display a LED di facile lettura che consente di impostare facilmente il tempo e di controllare lo stato corrente.
Il dispositivo è adatto per il controllo automatico di illuminazione, ventilazione, motori, segnalazione e altri carichi in cui è richiesta una commutazione sequenziale o ripetitiva.
Funzioni principali
-
Ritardo all'accensione - attiva l'uscita dopo un periodo di tempo prestabilito.
-
Modalità ciclica (blinker) - accende e spegne periodicamente i carichi
-
Modalità:
-
Lampeggio all'inizio dell'impulso
-
Lampeggio all'inizio della pausa
-
-
Display a LED per una comoda impostazione e visualizzazione del tempo rimanente
-
Adatto per il montaggio a pannello 48×48 mm
Impostazione del tempo
Quattro intervalli selezionabili:
-
0-99,9 secondi
-
0-999 secondi
-
0-99,9 minuti
-
0-999 minuti
La selezione dell'intervallo si effettua direttamente sul pannello frontale.
Utilizzo
-
Accensione e spegnimento automatico dell'illuminazione
-
Ventilazione con funzionamento ciclico
-
Controllo dei dispositivi di riscaldamento e raffreddamento
-
Controllo di segnali luminosi o acustici
-
Processi industriali a tempo e automazione
Alimentazione e installazione
-
Tensione di funzionamento: 230 VAC
-
Montaggio: pannello / porta dell'armadio (48×48 mm)
Pagamento con carta online: dopo aver completato l'ordine, verrai reindirizzato al gateway di pagamento, la conferma del pagamento verrà inviata alla tua email
COD: paghi il pagamento in base all'ordine di pagamento all'autista della compagnia di trasporti
Tramite bonifico bancario- riceverai al tuo indirizzo email entro e non oltre il giorno lavorativo successivo una fattura anticipata, sulla quale troverai il numero di conto che inserirai in fase di pagamento.
Su fattura: questa opzione di pagamento è disponibile per i partner che hanno firmato un accordo quadro con la nostra azienda.
Se desideri utilizzare gli ultimi 2 metodi, chiama il nostro responsabile e ti darà istruzioni su come ricevere una fattura con o senza IVA.
I dispositivi elettrici che forniamo soddisfano elevati standard di qualità, hanno una garanzia di 24 mesi e soddisfano tutti i requisiti UE.
Inoltre, offriamo la spedizione gratuita per ordini superiori a 100 €. Abbiamo un sistema flessibile di sconti e promozioni. Le conoscenze tecniche e l'esperienza dei nostri dipendenti ci consentono di fornire consulenza di alta qualità e, se necessario, offrire alternative ai prodotti elettrici.
L’attrezzatura elettrica che forniamo soddisfa elevati standard di qualità, è coperta da una garanzia di 24 mesi e rispetta tutti i requisiti dell’UE.
In caso di reclamo, la restituzione della merce non viene addebitata.
