
Ricevi un'email quando questo prodotto torna disponibile
- Descrizione
- Istruzioni
- Metodi di pagamento
- Garanzia
|
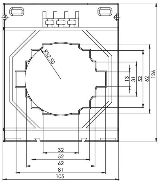
Trasformatore di corrente 81x13, 1500/5A -0,5S - 20VA - 80mm, Tensionamento
I trasformatori di corrente in tensione consentono di misurare e controllare con precisione i parametri elettrici nei sistemi in corrente alternata. Convertono valori di corrente elevati in valori più bassi e sicuri per le apparecchiature di misura, consentendo di controllare e gestire in modo efficiente i sistemi elettrici. Specifiche tecniche
Coefficiente: 1500/5A Capacità di carico: 20VA Classe di precisione 0,5S Morsettiera Coperchio non rimovibile; per conduttori di calibro elevato; in ottone per una maggiore sicurezza Custodia ABS non infiammabile e autoestinguente Montaggio KK0001 o KK0002 Avvolgimento primario 80 x 10 mm Conduttore rotondo Ø 65 mm Resistenza T alla corrente di cortocircuito Ith = 60*In Resistenza T all'esposizione a corrente costante Id = 1 * In Temperatura ambiente (ore di funzionamento) -25°C~+85°C Frequenza nominale 50 Hz ... 60 Hz Limite di corrente di commutazione FS 5 Tensione di prova 3 kV per 1 minuto Tensione massima del sistema 0,72 kV Norme: IEC 60044-1, IEC 61869-2, VDE 0414-1, DIN57414, BS3938, BS7626, EN 61869
Vantaggi dei trasformatori di corrente di tensione: Elevata precisione: forniscono misure affidabili per un controllo preciso dei parametri elettrici. Ampia gamma di correnti nominali: consente di selezionare il modello ottimale per le esigenze specifiche. Dimensioni diverse: le diverse dimensioni delle finestre garantiscono flessibilità di installazione e compatibilità con diversi conduttori. Affidabilità e durata: realizzati con materiali di alta qualità che garantiscono una lunga durata. |
La scelta dei trasformatori di corrente di tensione garantisce un funzionamento stabile degli impianti elettrici e l'accuratezza della misura, un fattore chiave per una gestione efficiente dell'energia.
Scarica su
Informazioni tecniche sui trasformatori di corrente (996 kB) - da inviare su richiesta
Pagamento con carta online: dopo aver completato l'ordine, verrai reindirizzato al gateway di pagamento, la conferma del pagamento verrà inviata alla tua email
COD: paghi il pagamento in base all'ordine di pagamento all'autista della compagnia di trasporti
Tramite bonifico bancario- riceverai al tuo indirizzo email entro e non oltre il giorno lavorativo successivo una fattura anticipata, sulla quale troverai il numero di conto che inserirai in fase di pagamento.
Su fattura: questa opzione di pagamento è disponibile per i partner che hanno firmato un accordo quadro con la nostra azienda.
Se desideri utilizzare gli ultimi 2 metodi, chiama il nostro responsabile e ti darà istruzioni su come ricevere una fattura con o senza IVA.
I dispositivi elettrici che forniamo soddisfano elevati standard di qualità, hanno una garanzia di 24 mesi e soddisfano tutti i requisiti UE.
Inoltre, offriamo la spedizione gratuita per ordini superiori a 100 €. Abbiamo un sistema flessibile di sconti e promozioni. Le conoscenze tecniche e l'esperienza dei nostri dipendenti ci consentono di fornire consulenza di alta qualità e, se necessario, offrire alternative ai prodotti elettrici.
L’attrezzatura elettrica che forniamo soddisfa elevati standard di qualità, è coperta da una garanzia di 24 mesi e rispetta tutti i requisiti dell’UE.
In caso di reclamo, la restituzione della merce non viene addebitata.
