RGT-12SVC - 12-level reactive power controller +TCR with RS485 ModBus RTU

Only 3 left
SKU: RGT-12(SVC)
Common price €262,80 inclusa IVA

12-step power factor controller + TCR with 2.9" graphic LCD display and RS-485 (TENSE)

The reactive power regulator RGT-12SVC (TENSE) is a fully automatic device for the optimal switching of compensation stages.

The digital processing of the values measured by the regulator ensures high accuracy in evaluating the actual voltage, current, and power factor.

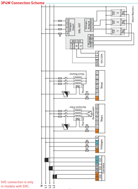
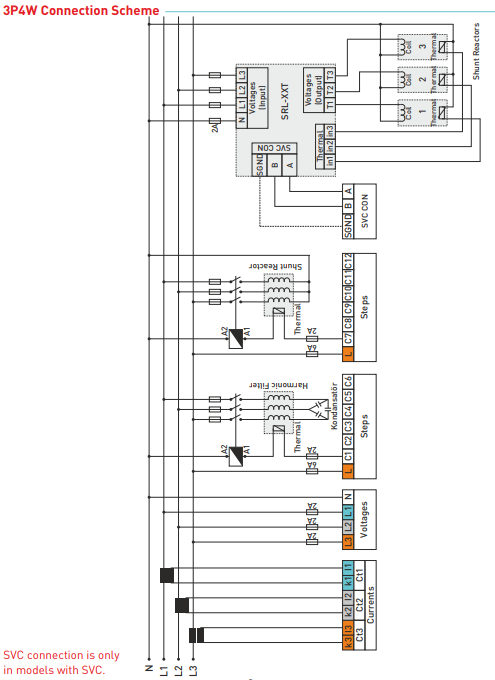
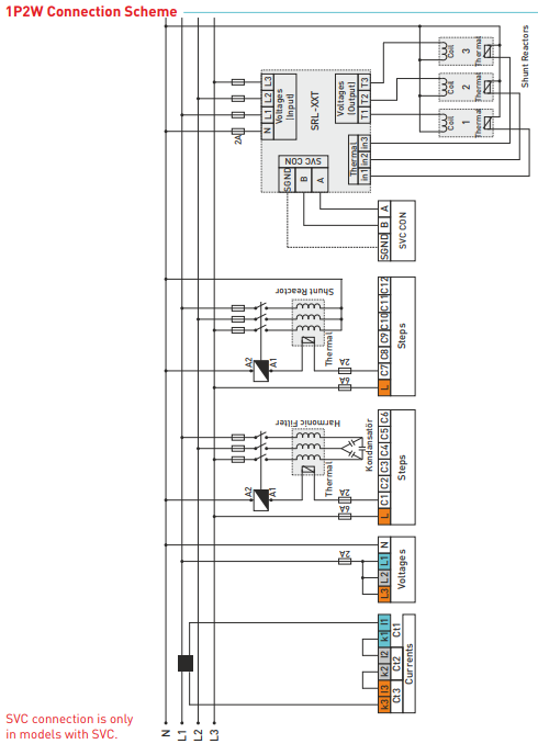
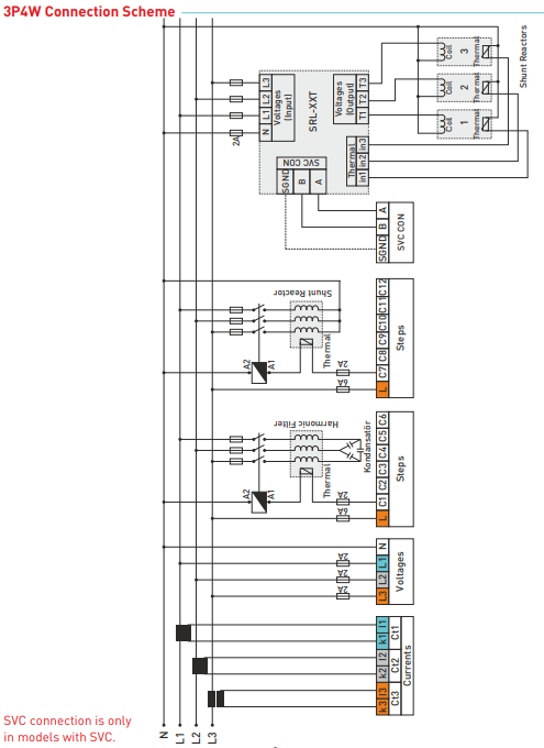
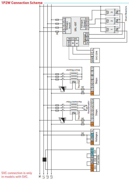
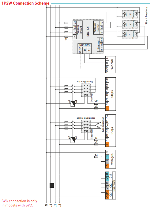
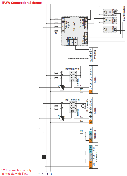
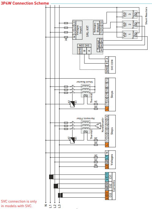
The device installation is fully automatic: the regulator itself determines the sizes of the individual connected compensation stages. These parameters can also be entered manually.

The controller activates and deactivates the compensation stages to regulate reactive power with a minimum number of switching operations. At the same time, the controller considers the uniform load of the individual stages and preferably switches the stages that have been deactivated for the longest period and for which the residual charge is minimal. During the regulation process, the compensation stages are continuously monitored in parallel: faults and value variations are detected, temporarily removed stages are periodically tested and, if necessary, reinserted into the regulation process.

  • Generator input and compensation

  • Ability to set intervention, discharge, and settling times

  • Remote communication with RS485 (RS485 ModBus RTU)

  • Ability to connect single-phase, two-phase, and three-phase shunt capacitors and reactors

  • Ability to observe voltage and current harmonics up to the 31st harmonic

  • Ability to monitor total energy (import/export)

  • THD-V and THD-I values of each phase can be observed

  • Creation of power analysis (20 samples 9999 min.) - for capacitor selection

Online payment by card – after completing your order, you will be redirected to the payment page and receive a payment confirmation via email.

Cash on delivery – payment, according to the terms of sale, is made to the courier of the transport company.

Bank transfer – You will receive a proforma invoice by email no later than the next business day, containing the account number to use for payment.

On invoice with deferred payment – this payment method is available to partners who have signed a framework agreement with our company.

If you wish to use one of the latter two payment methods, please contact our account manager, who will provide you with instructions on how to receive an invoice with or without VAT.

The electrical devices we supply meet high quality standards, have a 24-month warranty, and comply with all EU requirements. In the event of a complaint, there are no costs for returning the goods.

Customer Reviews

Be the first to write a review
0%
(0)
0%
(0)
0%
(0)
0%
(0)
0%
(0)