RGT-12E - Regolatore di potenza reattiva a 12 livelli +TCR

Disponibile - 5 articoli disponibili
SKU: RGT-12E
Prezzo standard €220,48 inclusa IVA

Controllore del fattore di potenza a 12 fasi + TCR con display LCD grafico da 2,9" (TENSE)

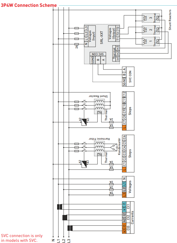
Il regolatore di potenza reattiva RGT-12E (TENSE) è un dispositivo completamente automatico per la commutazione ottimale degli stadi di compensazione.

L'elaborazione digitale dei valori misurati dal regolatore garantisce un'elevata precisione nella valutazione della tensione, della corrente e del fattore di potenza effettivi.

L'installazione del dispositivo è completamente automatica: il regolatore stesso determina le dimensioni dei singoli stadi di compensazione collegati. Questi parametri possono essere inseriti anche manualmente.

Il controllore attiva e disattiva gli stadi di compensazione in modo da regolare la potenza reattiva con un numero minimo di operazioni di commutazione. Allo stesso tempo, il controllore tiene conto del carico uniforme dei singoli stadi e commuta preferibilmente gli stadi che sono stati diseccitati per il periodo più lungo e per i quali la carica residua è minima. Durante il processo di regolazione, gli stadi di compensazione sono continuamente monitorati in parallelo: vengono rilevati guasti e variazioni dei valori, gli stadi temporaneamente rimossi vengono periodicamente testati e, se necessario, reinseriti nel processo di regolazione.

  • Ingresso e compensazione del generatore

  • Possibilità di impostare i tempi di entrata, di uscita e di assestamento

  • È possibile collegare condensatori monofase, bifase e trifase e reattori shunt.

  • È possibile osservare le armoniche di tensione e corrente fino alla 31a armonica

  • Possibilità di monitorare l'energia totale (importazione/esportazione)

  • Si possono osservare i valori THD-V e THD-I di ogni fase

  • Creazione di analisi di potenza (20 campioni 9999 min.) - per la selezione dei condensatori

Pagamento online con carta – dopo aver completato l’ordine verrai reindirizzato alla pagina di pagamento, e riceverai la conferma del pagamento via e‑mail.

Contrassegno – il pagamento, secondo le condizioni di vendita, viene effettuato al corriere della società di trasporto.

Bonifico bancario – entro e non oltre il giorno lavorativo successivo riceverai via e‑mail una fattura proforma, sulla quale troverai il numero di conto da utilizzare per il pagamento.

Su fattura con pagamento differito – questa modalità di pagamento è disponibile per i partner che hanno stipulato con la nostra azienda un contratto quadro.

Se desideri utilizzare uno degli ultimi due metodi di pagamento, contatta il nostro responsabile, che ti fornirà le istruzioni per ricevere una fattura con o senza IVA.

I dispositivi elettrici da noi forniti soddisfano alti standard di qualità, hanno una garanzia di 24 mesi e rispettano tutti i requisiti dell’UE.In caso di reclamo, non viene addebitato alcun costo per la restituzione della merce.

Customer Reviews

Be the first to write a review
0%
(0)
0%
(0)
0%
(0)
0%
(0)
0%
(0)